GM Service Manual Online
For 1990-2009 cars only
Makes
🢒
Chevrolet
🢒
2001
🢒
Tracker - 2WD
🢒 CHARGING SYSTEM
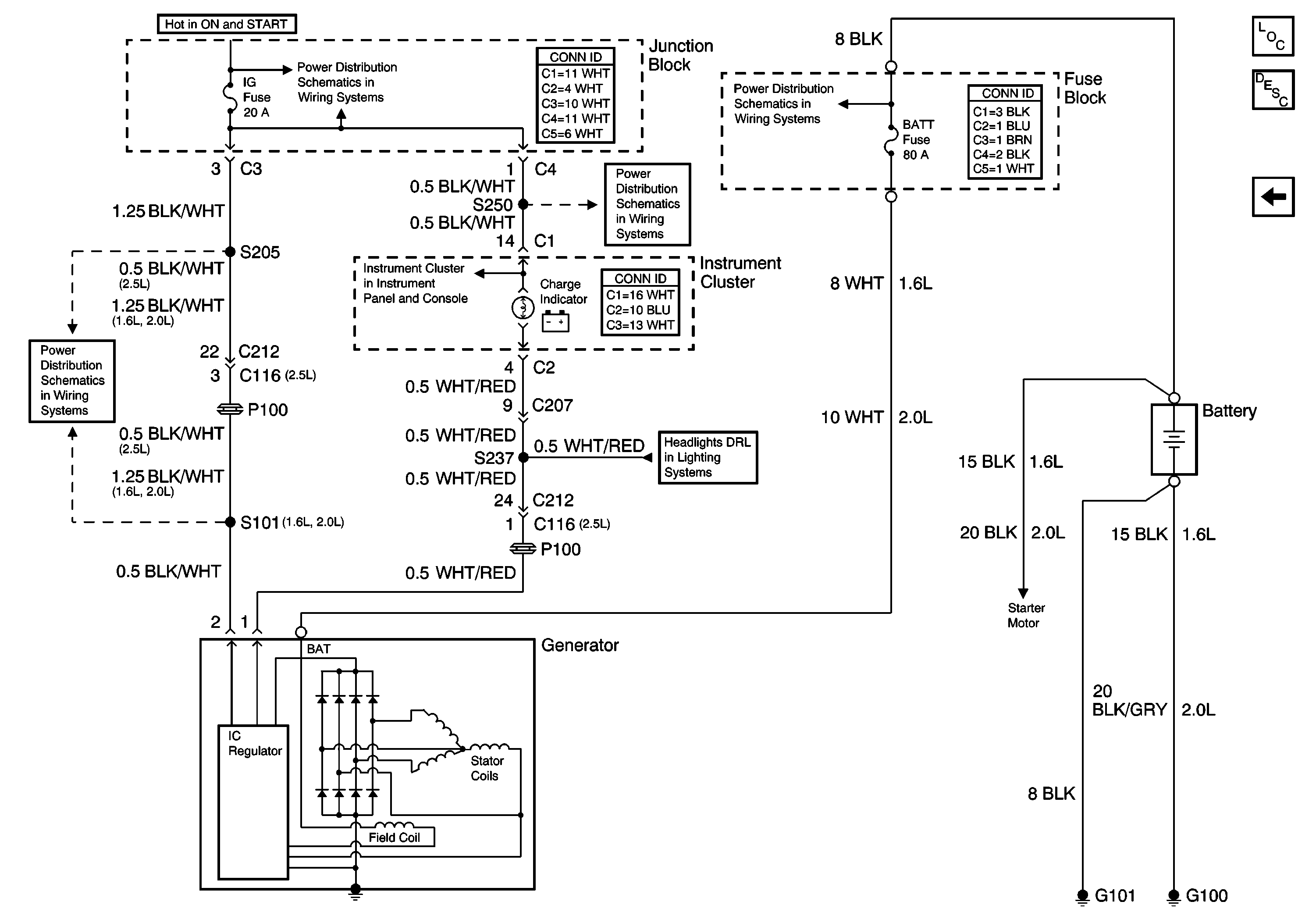
CHARGING SYSTEM
Master Electrical Component List
Charging System Description and Operation
Starting System
BATT, ABS, FI and ACC Fuses
Park Brake Switch (DRL)
Instrument Cluster Indicators
H/L, HTR, IG, and Lamp Fuses
IG Fuse