GM Service Manual Online
For 1990-2009 cars only
Makes
🢒
Chevrolet
🢒
2001
🢒
Tracker - 2WD
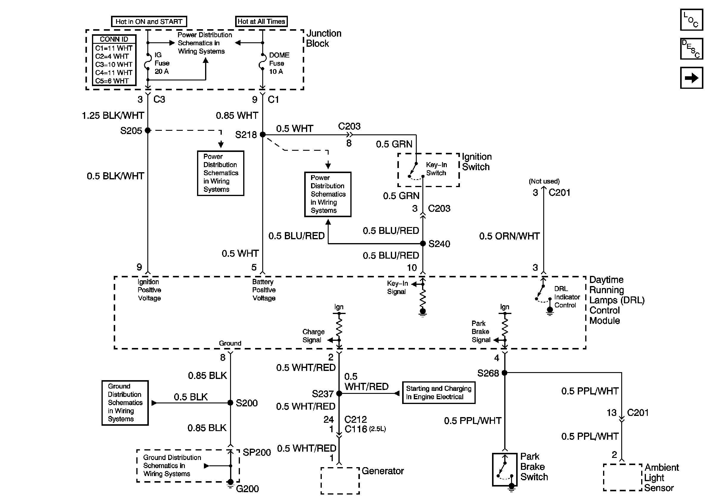
🢒 Park Brake Switch (DRL)
Park Brake Switch (DRL)
Park Brake Switch (DRL)
Master Electrical Component List
Exterior Lighting Systems Description and Operation
Headlamps, (DRL) Diode
CHARGING SYSTEM
HAZ, D/L, TAIL, Stop and Dome Fuses
IG Fuse
G200 (1 of 2)
G200 (1 of 2)
H/L, HTR, IG, and Lamp Fuses