GM Service Manual Online
For 1990-2009 cars only
Makes
🢒
Chevrolet
🢒
2003
🢒
Tracker - 2WD
🢒
Restraints
🢒
SIR
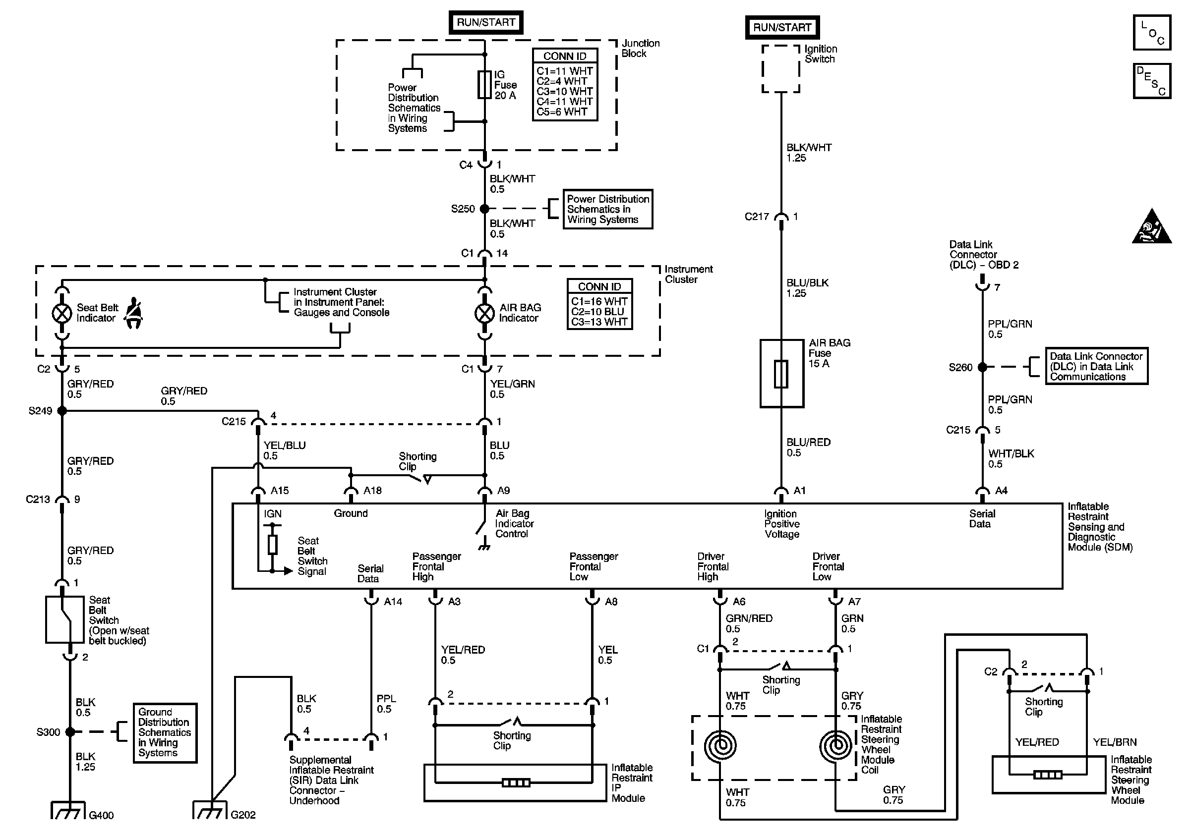
🢒 SIR Schematics
Master Electrical Component List
SIR System Description and Operation
SIR Caution for Zoning
TURN, WIP Fuses
TURN, WIP Fuses
ABS, Brake, Seat Belt, Air Bag Indicators
G400 and G401
Data Link Connector Schematic