GM Service Manual Online
For 1990-2009 cars only
Makes
🢒
Chevrolet
🢒
2003
🢒
Tracker - 2WD
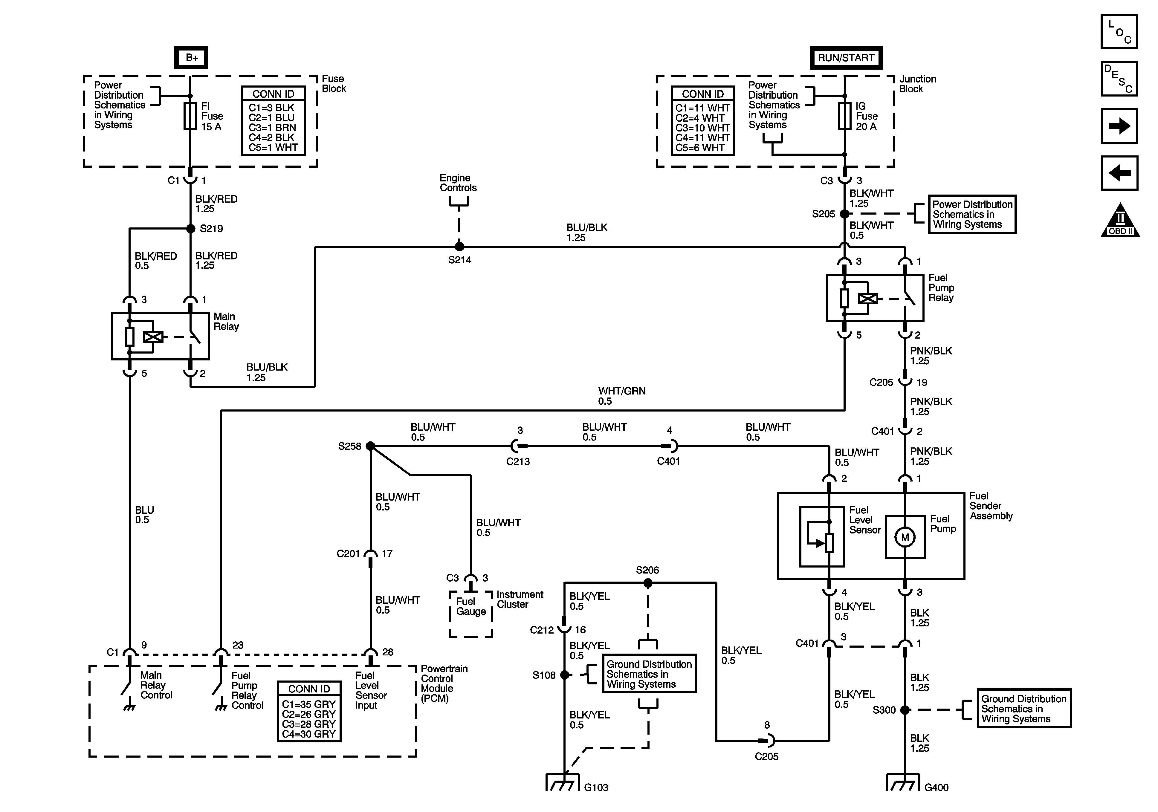
🢒 Fuel Pump Relay, Fuel Sender Assembly
Fuel Pump Relay, Fuel Sender Assembly
Fuel Pump Relay, Fuel Sender Assembly
Master Electrical Component List
Crankshaft Position (CKP) Sensor, Camshaft Position (CMP) Sensor, Knock Sensor
ECT, IAT, MAP, TPS, FTP Sensors
OBD II Symbol Description Notice
BATT, ABS, FI, ACC Fuses
Oil Pressure Indicator, ECT, Fuel Gauges, Tachometer
IG Fuse
IG Fuse
G400 and G401
G103