GM Service Manual Online
For 1990-2009 cars only
Makes
🢒
Chevrolet
🢒
2003
🢒
Tracker - 2WD
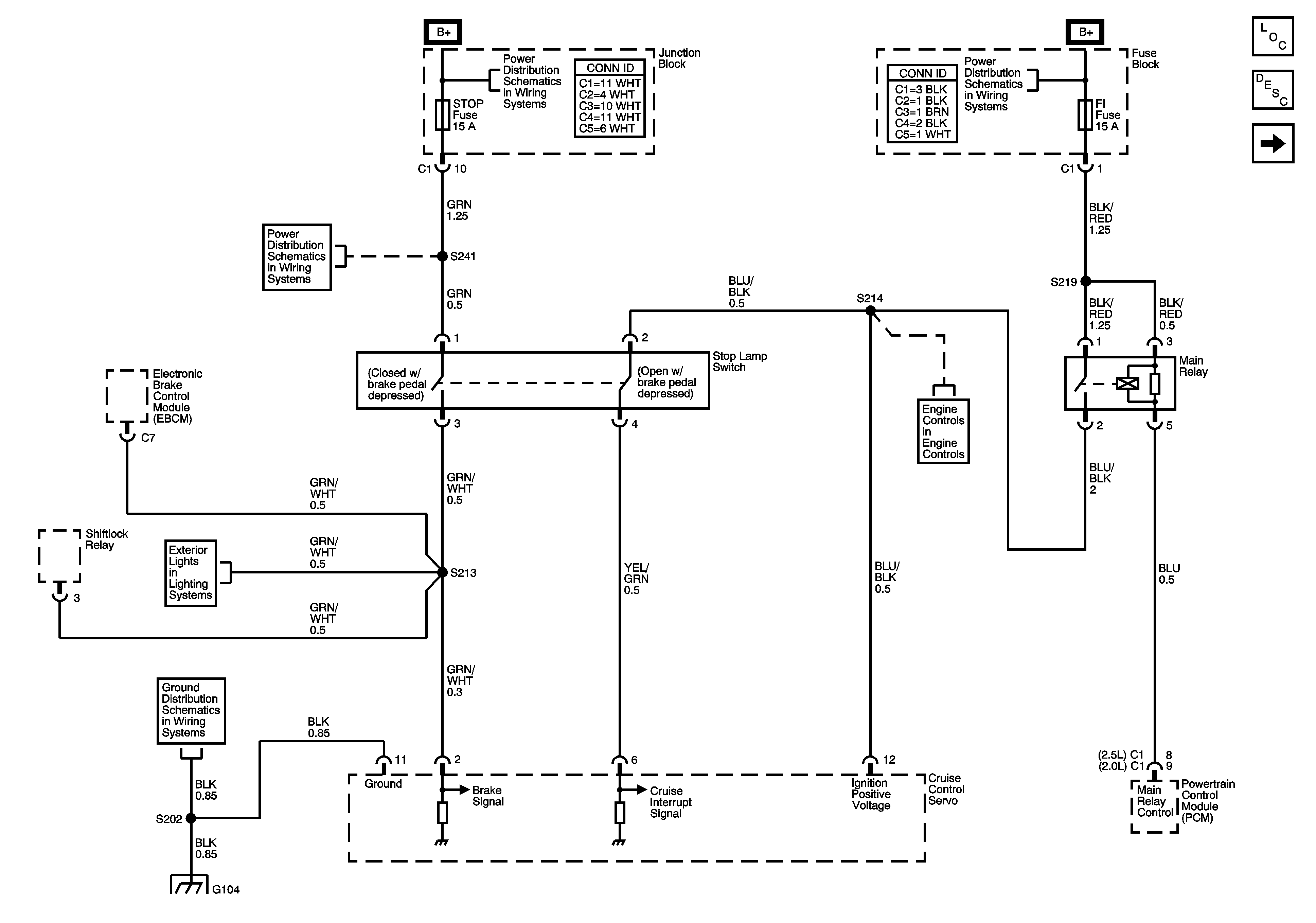
🢒 Stoplamp Switch, Cruise Control Servo
Stoplamp Switch, Cruise Control Servo
Stop Lamp Switch, Cruise Control Servo
Master Electrical Component List
Cruise Control Description and Operation
Cruise Control Servo, Transmission Range Switch, Cruise Control Release Switch
HAZ, D/L, TAIL, STOP, DOME Fuses
HAZ, D/L, TAIL, STOP, DOME Fuses
Electronic Brake Control Module (EBCM), Brake Indicator, Stoplamp Switch
Stoplamps Switch, Stoplamps
Shiftlock Control with Cruise Control
Stoplamps Switch, Stoplamps
BATT, ABS, FI, ACC Fuses
Main Relay, Powertrian Control Module (PCM) Power and Ground
Main Relay, Powertrain Control Module (PCM) Power and Ground