GM Service Manual Online
For 1990-2009 cars only
Makes
🢒
Chevrolet
🢒
2003
🢒
Tracker - 2WD
🢒 Electronic Brake Control Module (EBCM), Brake Indicator, Stoplamp Switch
Electronic Brake Control Module (EBCM), Brake Indicator, Stoplamp Switch
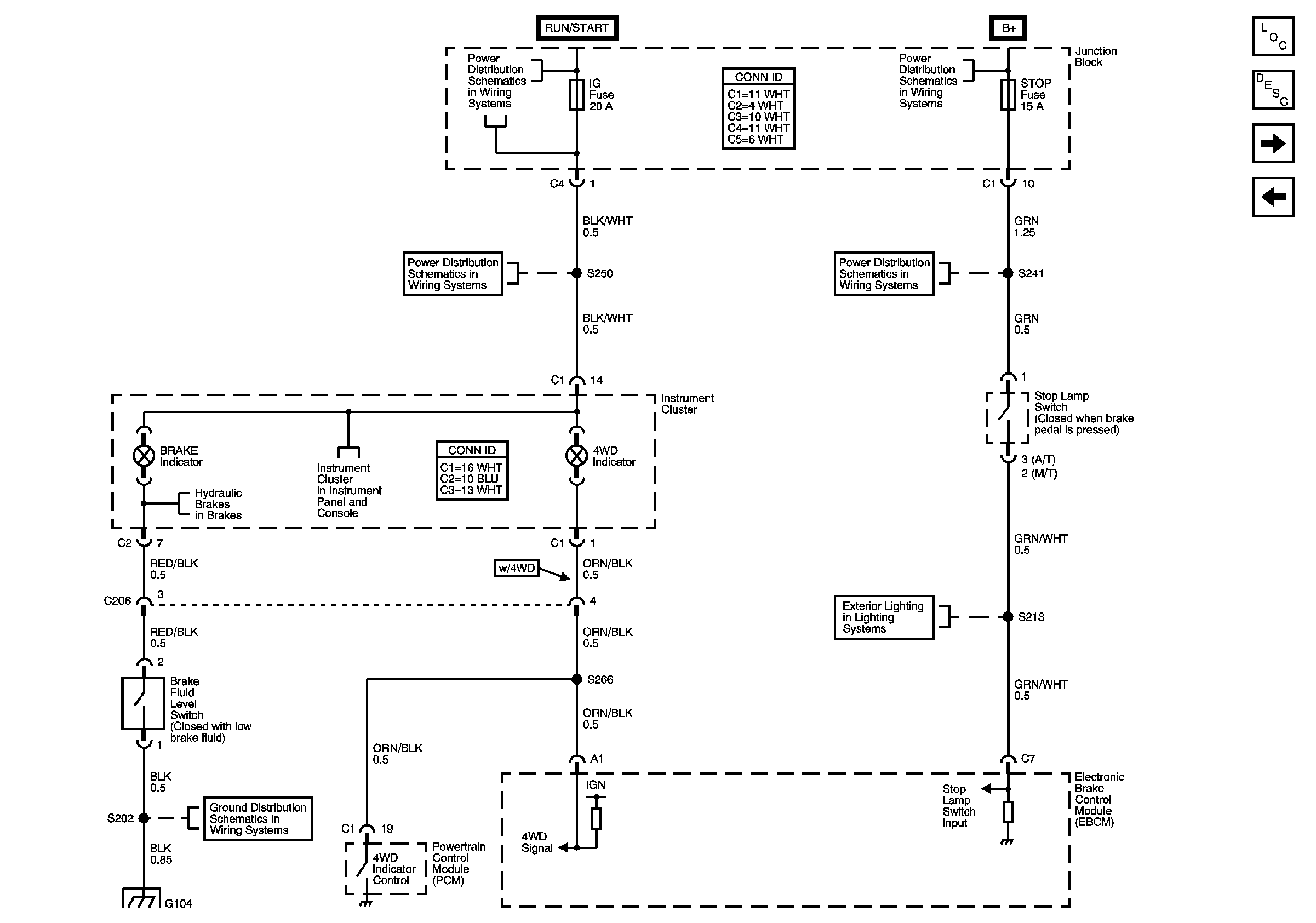
Electronic Brake Control Module (EBCM), Brake Indicator, 4WD Indicator, Stoplamp Switch, Brake Fluid Level Switch
Master Electrical Component List
ABS Description and Operation
Electronic Brake Control Module (EBCM), Wheel Speed Sensors
Electronic Brake Control Module (EBCM), ABS Indicator, Accelerometer
TURN, WIP Fuses
TURN, WIP Fuses
Power, O/D OFF, 4WD, MIL, CRUISE, Charge Indicators
Brake Warning Schematic
G104
HAZ, D/L, TAIL, STOP, DOME Fuses
HAZ, D/L, TAIL, STOP, DOME Fuses
Stoplamps Switch, Stoplamps