GM Service Manual Online
For 1990-2009 cars only
Makes
🢒
Chevrolet
🢒
2003
🢒
Tracker - 2WD
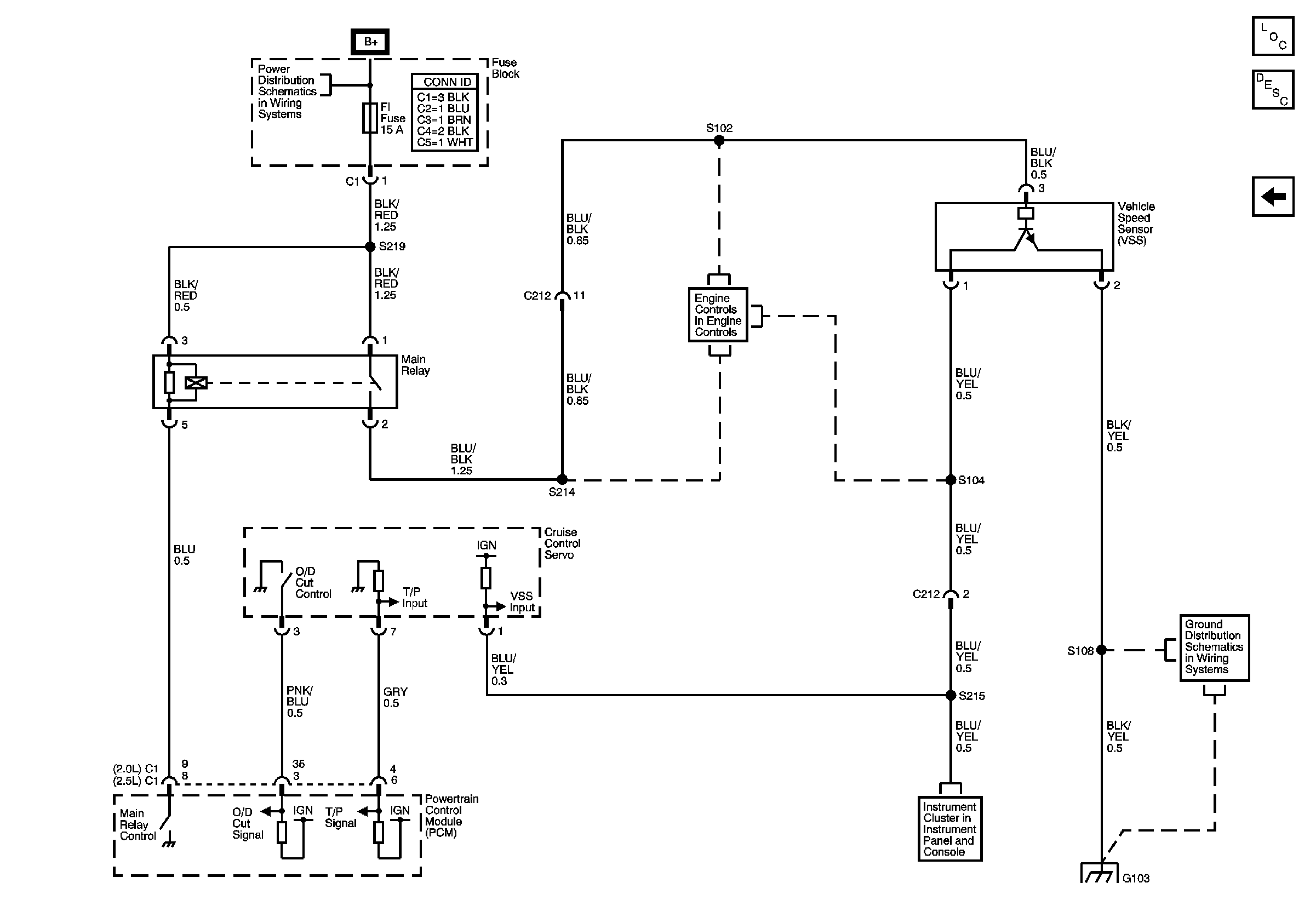
🢒 Cruise Control Servo,PCM, Vehicle Speed Sensor
Cruise Control Servo,PCM, Vehicle Speed Sensor
Cruise Control Servo, Powertrain Control Module (PCM), Vehicle Speed Sensor (VSS)
Master Electrical Component List
Cruise Control Description and Operation
Cruise Indicator, Cruise Servo, Cruise Main Switch, Cruise Mode Switch
BATT, ABS, FI, ACC Fuses
Main Relay, Powertrian Control Module (PCM) Power and Ground
Main Relay, Powertrain Control Module (PCM) Power and Ground
Cruice Control Servo, Vehicle Speed Sensor (VSS)
G103