GM Service Manual Online
For 1990-2009 cars only
Makes
🢒
Chevrolet
🢒
2003
🢒
Tracker - 2WD
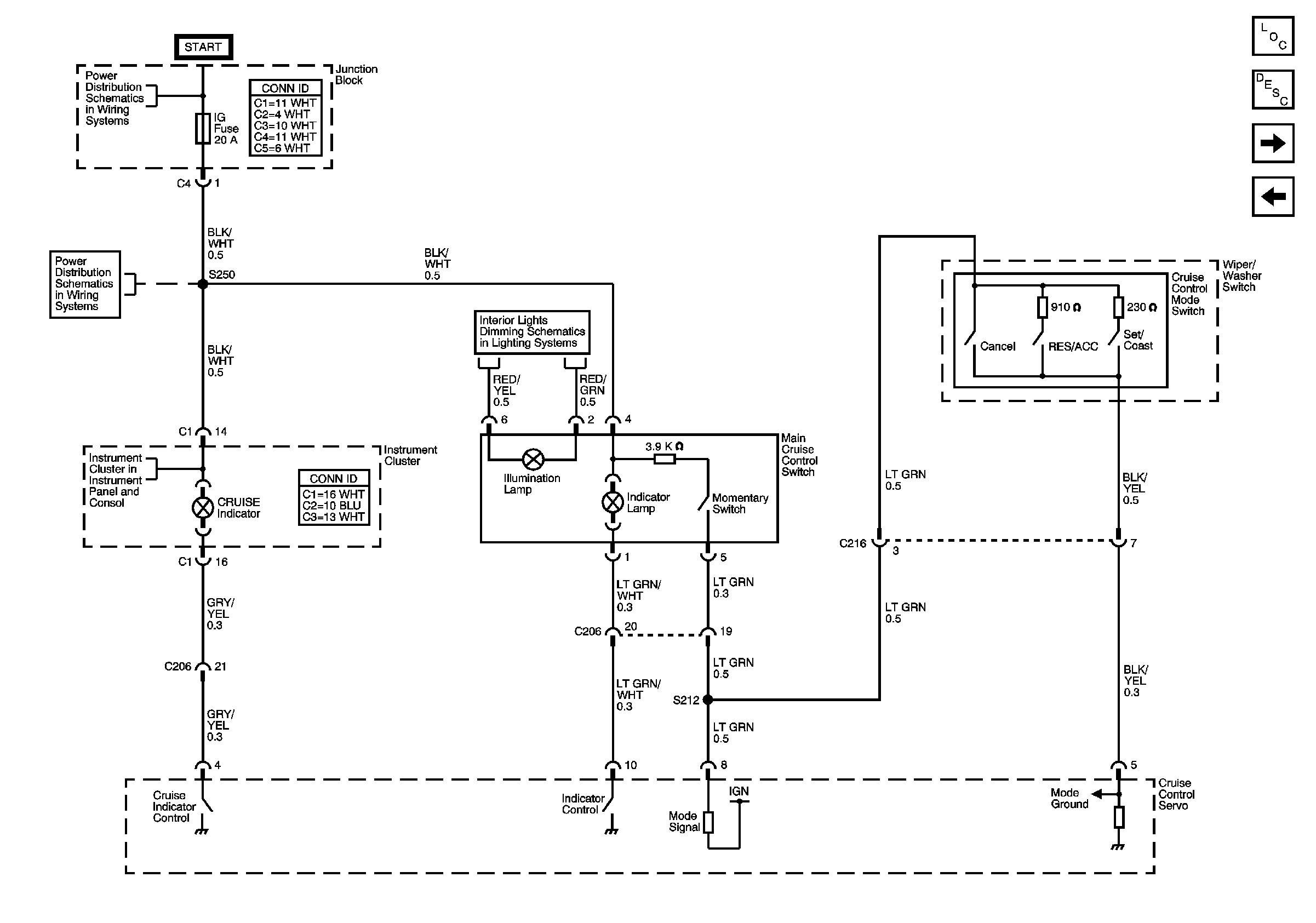
🢒 Cruise Indicator, Cruise Servo, Cruise Main Switch, Cruise Mode Switch
Cruise Indicator, Cruise Servo, Cruise Main Switch, Cruise Mode Switch
Cruise Control Indicator, Cruise Control Servo, Cruise Control Main Switch, Cruise Control Mode Switch
Master Electrical Component List
Cruise Control Description and Operation
Cruise Control Servo, PCM, Vehicle Speed Sensor
Cruise Control Servo, Transmission Range Switch, Cruise Control Release Switch
TURN, WIP Fuses
TURN, WIP Fuses
Power, O/D OFF, 4WD, MIL, CRUISE, Charge Indicators
Instrument Panel Lamp Dimmer Control