GM Service Manual Online
For 1990-2009 cars only
Makes
🢒
Chevrolet
🢒
2003
🢒
Tracker - 2WD
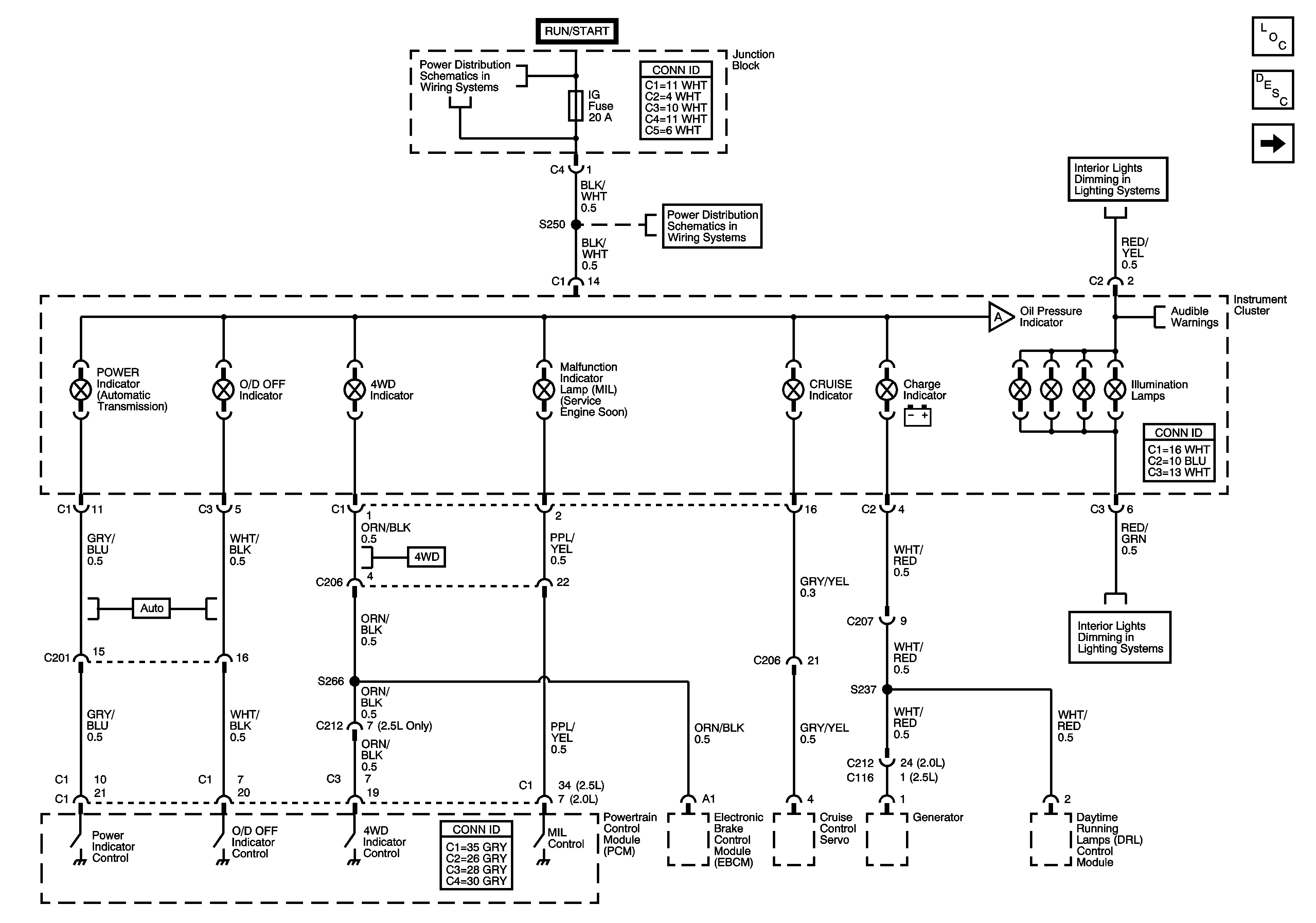
🢒 Power, O/D OFF, 4WD, MIL, CRUISE, Charge Indicators
Power, O/D OFF, 4WD, MIL, CRUISE, Charge Indicators
Power, O/D OFF, 4WD, MIL, CRUISE, Charge Indicators
Master Electrical Component List
Instrument Cluster Description and Operation
Oil Pressure Indicator, ECT, Fuel Gauges, Tachometer
TURN, WIP Fuses
TURN, WIP Fuses
Instrument Panel Lamp Dimmer Control
Multifunction Alarm Module, Seat Belt Signal, Door Open Signal
Electronic Brake Control Module (EBCM), ABS Indicator, Accelerometer
Cruise Indicator, Cruise Servo, Cruise Main Switch, Cruise Mode Switch
Charging System
Instrument Panel Lamp Dimmer Control