GM Service Manual Online
For 1990-2009 cars only

Refer to

Ignition System


Object Number: 478217  Size: FS
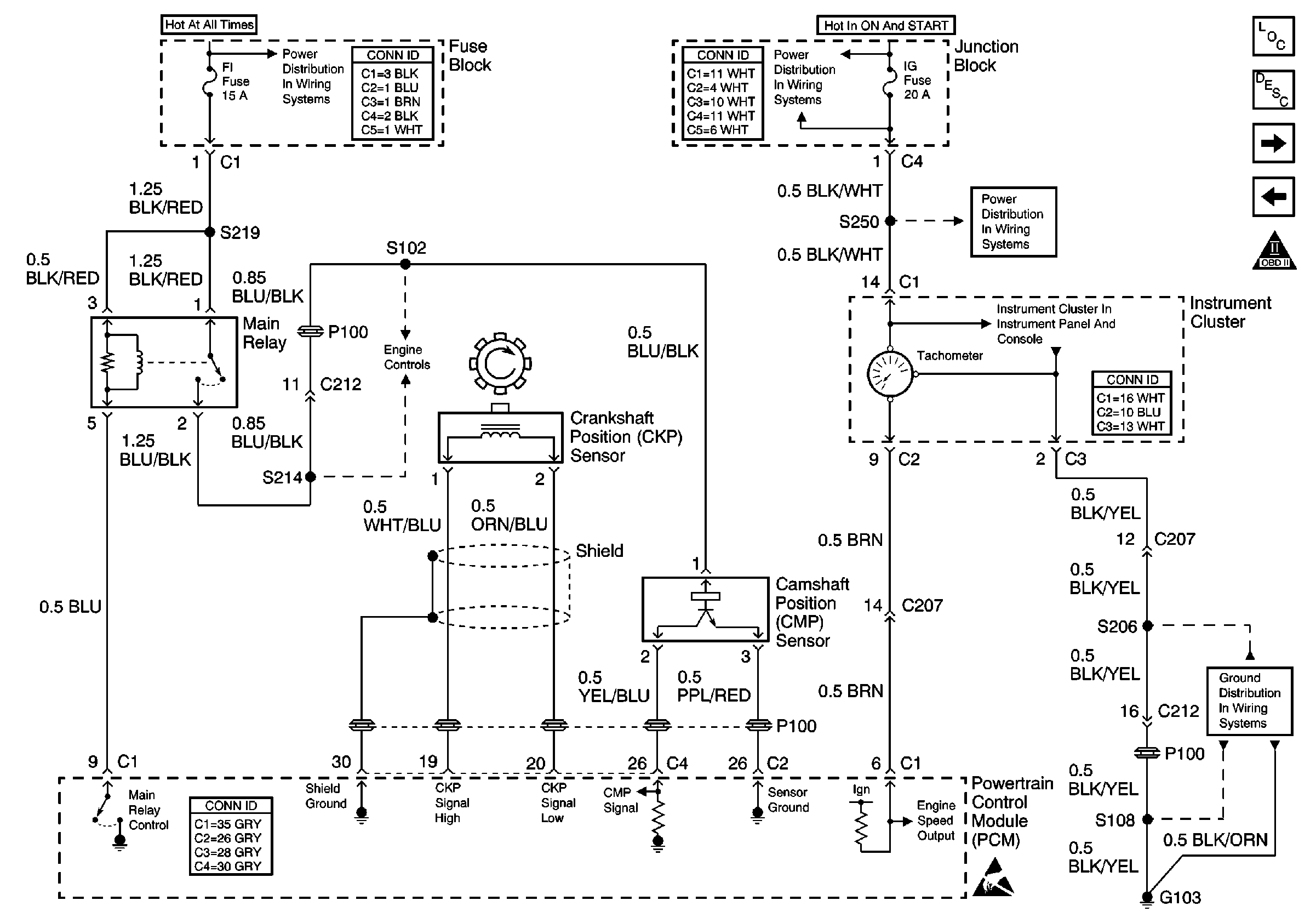
Engine Controls Components
CMP and CKP Sensors
MIL and DLC
Handling ESD Sensitive Parts Notice
IG Fuse
Radio/Audio System Schematics
G103
IG Fuse
Handling ESD Sensitive Parts Notice
Handling ESD Sensitive Parts Notice
Starting System
and

CMP and CKP Sensors


Object Number: 478219  Size: FS
Engine Controls Components
Fuel Supply System
Ignition System
Handling ESD Sensitive Parts Notice
G103
Handling ESD Sensitive Parts Notice
(ECT, Fuel Gages, Tachometer and Oil Indicator)
IG, TURN and WIP Fuses
BATT, ABS, FI and ACC Fuses
IG, TURN and WIP Fuses
.

Circuit Description

The powertrain control module (PCM) uses information from the crankshaft position (CKP) sensor and the camshaft position (CMP) sensor in order to determine when an engine misfire is occurring. By monitoring changes in the crankshaft rotation for each cylinder, the PCM counts individual misfire events. The malfunction indicator lamp (MIL) illuminates when the misfire rate equals or exceeds a pre-determined count. A misfire rate that is high enough can cause the catalytic converter to overheat under certain driving conditions. The MIL will flash ON and OFF when the conditions for catalytic converter overheating are present.

Condition for Running the DTC

Engine must be running.

Conditions for Setting the DTC

    • Engine coolant temperature is more than -7°C (19°F).
    • Intake air temperature is more than -7°C (19°F).
    • Barometric pressure is more than 75 kPa.
    • Engine speed is less than 4,000 RPM.
    • Fuel tank level is more than 15 percent.
    • TP sensor change is less than 1 degree/10 ms.
    • Conditions present for 5 seconds after engine start to 1 second from fuel shut-off.

Action Taken When the DTC Sets

    • The PCM flashes the malfunction indicator lamp (MIL) the first time catalytic converter damage occurs.
    • The PCM illuminates the MIL the second time emission thresholds are exceeded (second time the diagnostic fails).
    • The PCM records the operating conditions at the time the diagnostic fails. This information is stored in the Freeze Frame buffer.

Conditions for Clearing the MIL/DTC

    • The MIL turns OFF after three consecutively passing trips without a fault present.
    • A History DTC clears after 40 consecutive warm-up cycles without a fault.
    • Use the scan tool Clear DTC Information function or disconnect the PCM battery feed in order to clear the DTC.

Diagnostic Aids

Check for any of the following conditions:

    • If any DTCs other than misfire (P0300 to P0304) are present, diagnose those DTCs first.
    • Check for engine overheating.
    • Check for engine vacuum leaks.
    • Inspect for proper EGR system operation. An EGR valve that is introducing too much exhaust gas into the combustion chamber can lower cylinder power output.
    • A PCV system malfunction -- Perform a functional check of the PCV valve. Refer to Crankcase Ventilation System Inspection .
    • Check for a malfunctioning fuel injector. Normal fuel injector resistance is 13-16 ohms at 20°C (68°F). Perform the Fuel Injector Coil Test/Balance Test Procedure if fuel injector resistance is out of specification. Refer to Fuel Injector Solenoid Coil Test - Engine Coolant Temperature Outside 10-35 Degrees C (50-95 Degrees F) .
    • Fuel pressure that is out of specification -- Refer to Fuel System Diagnosis .
    • An intermittent ignition system malfunction (spark plugs, ignition wires, ignition coils). Check ignition system performance with an engine oscilloscope.
    • An engine mechanical malfunction -- Measure engine cylinder compression and valve lash adjustment for comparison to manufacture specifications. Refer to Engine Compression Test in Engine Mechanical.
    • A damaged wiring harness -- Inspect the applicable wiring harness for damage and repair as necessary.
    • A misfire DTC can also be the result of a defective crankshaft timing belt pulley. Remove the crankshaft position (CKP) sensor and inspect the crankshaft signal rotor through the sensor hole. Check the crankshaft timing belt pulley for foreign material or damaged teeth.

If the DTC  P0300 is intermittent, driving the vehicle under the following conditions can verify whether the fault is present. Perform the scan tool Clear DTC Information function. Road test the vehicle while monitoring the DTC P0300 diagnostic on the scan tool under the Not Ran Since Code Cleared selection in the DTC Information menu. If a DTC P0300 appears in the Not Ran Since Code Cleared list, the P0300 diagnostic has not yet run. When the DTC P0300 does not appear in the Not Ran Since Code Cleared list, the P0300 diagnostic has run. If the MIL is NOT ILLUMINATED and there is no PENDING DTC Status in DTC Information, the P0300 diagnostic has passed. DTCs MUST BE CLEARED in order to view the CURRENT STATUS of the Not Ran Since Code Cleared list. DO NOT FORGET that the Not Ran Since Code Cleared list only indicates that the test has run, not whether the test passed or failed. The DTC Information screen must be checked for CURRENT or PENDING status, in order to determine the outcome of the diagnostic test involved.

If you cannot duplicate a DTC P0300, the information included in the Freeze Frame data can be useful in determining vehicle operating conditions when the DTC was first set. When the fault cannot be duplicated, wet the secondary ignition system with water and operate the vehicle under the conditions that set the DTC.

Test Description

The numbers below refer to the step numbers in the diagnostic table.

  1. The Powertrain OBD System Check prompts the technician to complete some basic checks and store the Freeze Frame data on the scan tool if applicable. This creates an electronic copy of the data taken when the fault occurred. The information is then stored in the scan tool for later reference.

  2. This step determines if a fault is present.

  3. The ignition coil assemblies provide spark for two cylinders simultaneously. Any condition that effects the ignition circuit of one cylinder may also have an affect on the ignition circuit of the other (paired) cylinder. Inspect both sides of the ignition coil high voltage circuit for faulty conditions.

  4. The ignition coil assemblies provide spark for two cylinders simultaneously. Any condition that effects the ignition circuit of one cylinder may also have an affect on the ignition circuit of the other (paired) cylinder. Inspect both sides of the ignition coil high voltage circuit for faulty conditions.

  5. The #1 ignition coil provides spark for cylinders 1 and 4 simultaneously. The #2 ignition coil provides spark for cylinders 2 and 3 simultaneously. Any condition that effects the ignition circuit of one cylinder may also have an affect on the ignition circuit of the other cylinder that shares the same coil. Inspect both sides of the ignition coil for cracks, carbon tracking, and corrosion.

  6. The ignition coil may have an internal fault.

  7. This step checks for the electrical signal from the PCM for the operation of the fuel injector. If the injector test lamp does not illuminate the fuel injector control circuit is diagnosed for a faulty condition.

  8. Faulty fuel injectors can cause a misfire condition and a DTC P0300 to set.

  9. This step checks for a mechanical fault as the cause of the misfire condition. Low engine compression and improper valve lash may also cause a rough idling condition. For diagnosis of an engine mechanical condition, refer to Engine Mechanical.

  10. This step checks for faults in the CMP sensor and circuit that can cause incorrect ignition reference signals. Without continuous accurate reference signals, there is no dependable spark or fuel injector pulse. Erratic, missing, or incorrect engine reference signals can cause the engine to misfire.

  11. This step checks for a faulty CMP sensor signal rotor.

Step

Action

Value(s)

Yes

No

1

Did you perform the Powertrain On-Board Diagnostic (OBD) System Check?

--

Go to Step 2

Go to Powertrain On Board Diagnostic (OBD) System Check

2

Start the engine.

Is a misfire present at idle?

--

Go to Step 4

Go to Step 3

3

  1. Install a scan tool.
  2. Turn ON the ignition, leaving the engine OFF.
  3. Perform the scan tool Clear DTC Information function.
  4. Operate the vehicle within the Freeze Frame data as noted.

Is a DTC P0300 set?

--

Go to Step 4

Go to Diagnostic Aids

4

  1. Perform a visual and a physical inspection for any of the following conditions:
  2. • Improperly operating or leaking PCV valve
    • Incorrect PCV valve
    • A vacuum leak at the intake manifold or gasket
    • A vacuum leak at a cracked, split, or worn vacuum hose
  3. Repair as necessary.

Was a repair necessary?

--

Go to Step 18

Go to Step 5

5

  1. Disconnect the fuel injector electrical connectors.
  2. Install a J 26792 spark tester or an equivalent to the #1 spark plug wire.
  3. Check for spark while cranking the engine.
  4. Remove the #1 ignition coil.
  5. Re-install the spark plug wire.
  6. Install the spark tester to the ignition coil boot.
  7. Check for spark while cranking the engine.
  8. Repeat steps 2 thru 7 for the #2 ignition coil.

Did the test of each cylinder indicate a good crisp blue spark while cranking the engine?

--

Go to Step 10

Go to Step 6

6

  1. Remove the ignition wires and ignition coil spark plug boots.
  2. Visually and physically inspect the ignition wires and boots for any of the following conditions:
  3. • Carbon tracking
    • Insulation damage
    • Corroded terminals
  4. Repair as necessary.

Was a repair necessary?

--

Go to Step 18

Go to Step 7

7

  1. Measure the resistance of the ignition wires with a DMM.
  2. Replace any ignition wires that measure more than the specified value.

Did any ignition wires need replacement?

1.2k to 3.0k ohms/ft

Go to Step 18

Go to Step 8

8

  1. Perform a visual and a physical inspection of the ignition coils for any of the following conditions:
  2. • Cracks
    • Moisture
    • Faulty electrical connections
    • Carbon tracking
    • Corrosion
  3. Repair as necessary.

Was a repair necessary?

--

Go to Step 18

Go to Step 9

9

Replace the ignition coil that supplies the cylinder that had no spark. Refer to Ignition Coil Replacement .

Is the action complete?

--

Go to Step 18

--

10

  1. Remove the spark plugs. Refer to Spark Plug Replacement in Engine Electrical.
  2. Visually and physically inspect each spark plug for any of the following conditions:
  3. • Oil fouling
    • Fuel fouling
    • Evidence of coolant in the cylinder
    •  Incorrect gap
    • Missing platinum pads
    • Loose center electrode
    • Cracked porcelain
    • Carbon tracking
    • Loose terminal end
  4. Replace as necessary. Refer to Spark Plug Replacement in Engine Electrical.

Did any spark plugs need replacement?

--

Go to Step 13

Go to Step 11

11

  1. Turn OFF the ignition.
  2. Disconnect the fuel injector electrical connectors.
  3. Install a J 34730-2B injector test lamp or an equivalent into the each of the fuel injector harness connectors one at time.
  4. Observe the injector test lamp for each injector while cranking the engine.

Did the fuel injector test lamp flash for each fuel injector while cranking the engine?

--

Go to Step 12

Go to Fuel Injector Circuit Diagnosis

12

Check the fuel injectors for proper operation. Refer to Fuel Injector Solenoid Coil Test - Engine Coolant Temperature Between 10-35 Degrees C (50-95 Degrees F) and Fuel Injector Balance Test .

Was a faulty fuel injector found and replaced?

--

Go to Step 18

Go to Step 14

13

Was the spark plug replaced because of fuel, oil, or coolant fouling?

--

Go to Step 15

Go to Step 18

14

  1. Inspect the EGR valve for excessive flow or sticking open. Refer to DTC P0400 EGR Flow Malfunction .
  2. Repair as necessary.

Was a repair necessary?

--

Go to Step 18

Go to Step 15

15

  1. Check for any of the following engine mechanical concerns:
  2. • Worn or faulty camshaft
    •  Leaky or sticky valves
    • Excessive valve deposits
    • Broken or leaky piston rings
    •  Weak valve springs
    • Incorrect valve timing
    •  Intake (vacuum) leaks
    • Leaking head gasket
    • Loose or broken motor mounts
  3. Repair as necessary. Refer to Engine Compression Test in Engine Mechanical.

Was a basic engine mechanical concern found and repaired?

--

Go to Step 18

Go to Step 16

16

  1. Remove the CMP sensor. Refer to Camshaft Position Sensor Replacement .
  2. Visually inspect the CMP sensor for the following conditions:
  3. • Physical damage
    • Foreign material on the sensor (magnet) surface
    • Water or corrosion at the electrical terminals
  4. Repair as necessary.

Was a repair necessary?

--

Go to Step 18

Go to Step 17

17

  1. Visually inspect the CMP sensor signal rotor in the camshaft sensor housing for the following conditions:
  2. • Damaged teeth
    • Foreign material
    • Correct installation
  3. Repair as necessary.

Was a repair necessary?

--

Go to Step 18

Go to Diagnostic Aids

18

  1. Perform the scan tool Clear DTC Information function and road test the vehicle within the Freeze Frame conditions that set the DTC.
  2. Review the scan tool data and check for DTCs. The repair is complete if no DTCs are stored.

Are any DTCs displayed on scan tool?

--

Go to Diagnostic Trouble Code (DTC) List

System OK