GM Service Manual Online
For 1990-2009 cars only
Makes
🢒
Chevrolet
🢒
2005
🢒
Uplander Ext.
🢒
Accessories
🢒
Entertainment
🢒 Radio/Audio System Schematics
Figure
1:
Antennas, Ground, Power, and Subsystem References
Master Electrical Component List
Radio/Audio System Description and Operation
Control Module References
DVD and Satellite Audio Sources
CAN VENT, CLSTR/HVAC, INT/LAMP, ONSTAR, and RADIO AMP Fuses
Steering Wheel Controls Schematics
DLC Schematics
OnStar Schematics
Gages, Ground, and Power
G201
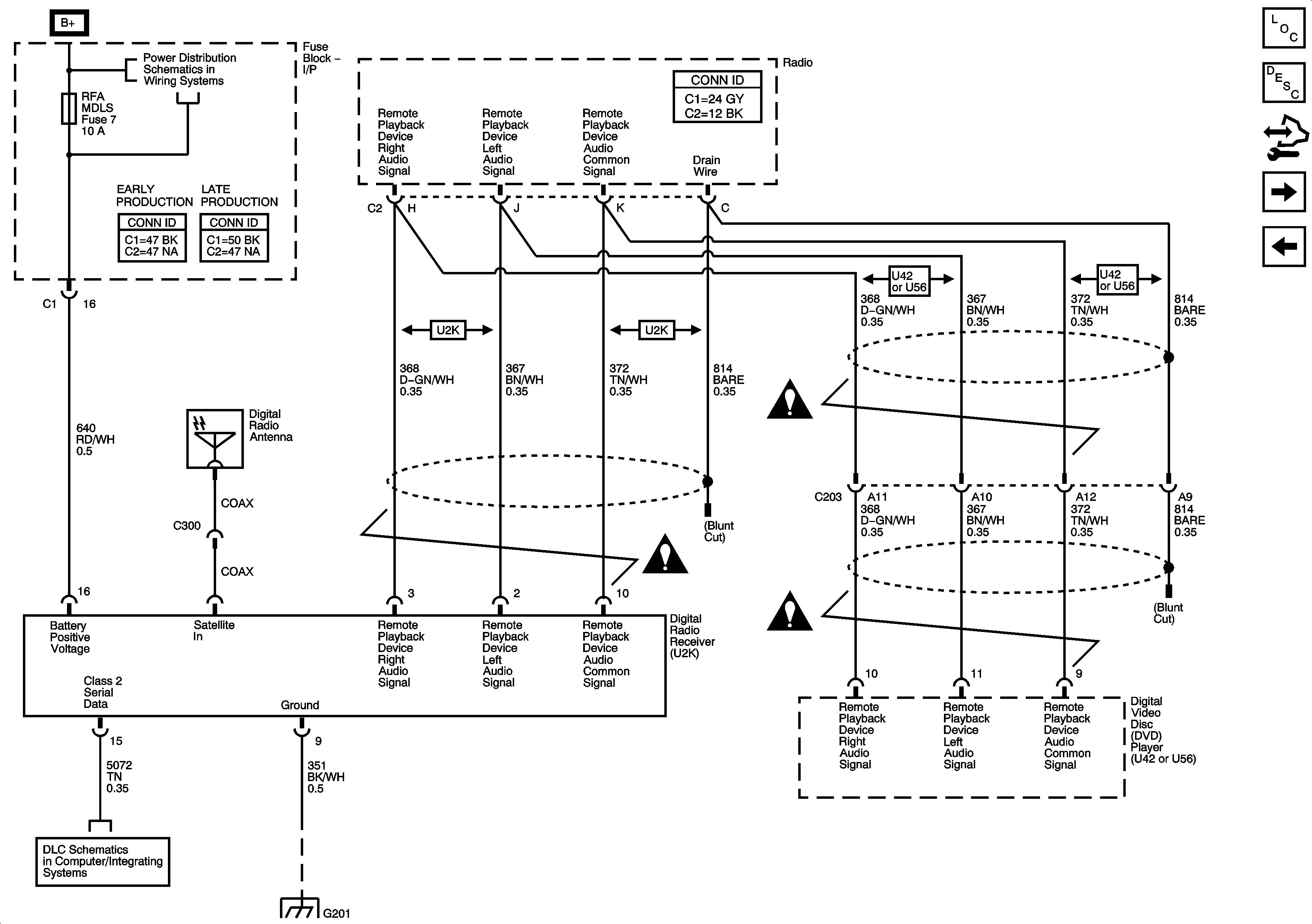
Figure
2:
DVD and Satellite Audio Sources
Master Electrical Component List
Radio/Audio System Description and Operation
Control Module References
Front Speakers
Antennas, Ground, Power, and Subsystem References
BATT MAIN 1, CHMSL BCK/UP, PRK LAMP, PSD, and RFA MDLS Fuses
Entertainment Schematic Icons
Entertainment Schematic Icons
Entertainment Schematic Icons
DLC Schematics
G201
Figure
3:
Front Speakers
Master Electrical Component List
Radio/Audio System Description and Operation
Control Module References
Rear Speakers
DVD and Satellite Audio Sources
Entertainment Schematic Icons
Entertainment Schematic Icons
Figure
4:
Rear Speakers
Master Electrical Component List
Radio/Audio System Description and Operation
Control Module References
Front Speakers
Entertainment Schematic Icons
Entertainment Schematic Icons
Entertainment Schematic Icons
Entertainment Schematic Icons
Entertainment Schematic Icons