GM Service Manual Online
For 1990-2009 cars only
Makes
🢒
Chevrolet
🢒
2000
🢒
Venture
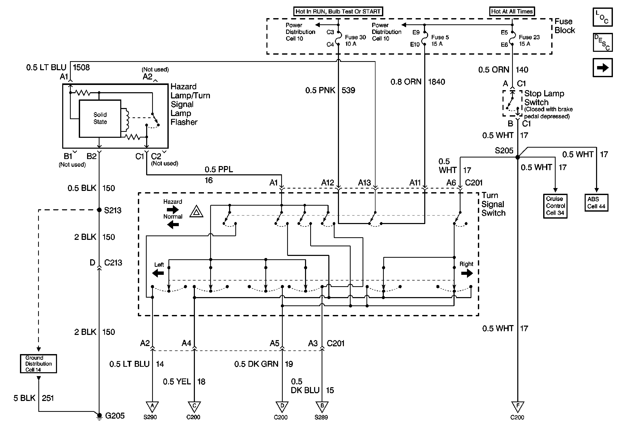
🢒 Cell 110: Power, Stop Lamp/Turn Signal Switch, Hazard Lamp/Turn Signal Lamp Flasher
Cell 110: Power, Stop Lamp/Turn Signal Switch, Hazard Lamp/Turn Signal Lamp Flasher
Cell 110: Power, Stop Lamp/Turn Signal Switch, Hazard Lamp/Turn Signal Lamp Flasher
Cell 10: Fuses 12, 21, 30, 33, 39, and 42
Cell 10: Generator, Starter, Fusible Links, MaxiFuse® 1, 2 and4
Cell 14: G205 (1 of 2)
Cell 110: Power, Side Marker/Tail/Stop/Turn Lamps, CHMSL, Rear CompaRtment Lamp/Lid Ajar Switch
Cell 110: Power, Side Marker/Tail/Stop/Turn Lamps, CHMSL, Rear CompaRtment Lamp/Lid Ajar Switch
Cell 110: Power, Side Marker/Tail/Stop/Turn Lamps, CHMSL, Rear CompaRtment Lamp/Lid Ajar Switch
Cell 110: Power, Headlamp Switch, DRL Module, Instrument Cluster, Park/Turn Lamps
Cell 110: Power, Side Marker/Tail/Stop/Turn Lamps, CHMSL, Rear CompaRtment Lamp/Lid Ajar Switch
Cruise Control Schematics
Antilock Brake System Schematics
Lighting Systems Components
Exterior Lights Circuit Description
Cell 110: Power, Headlamp Switch, DRL Module, Instrument Cluster, Park/Turn Lamps