GM Service Manual Online
For 1990-2009 cars only
Makes
🢒
Chevrolet
🢒
2000
🢒
Venture
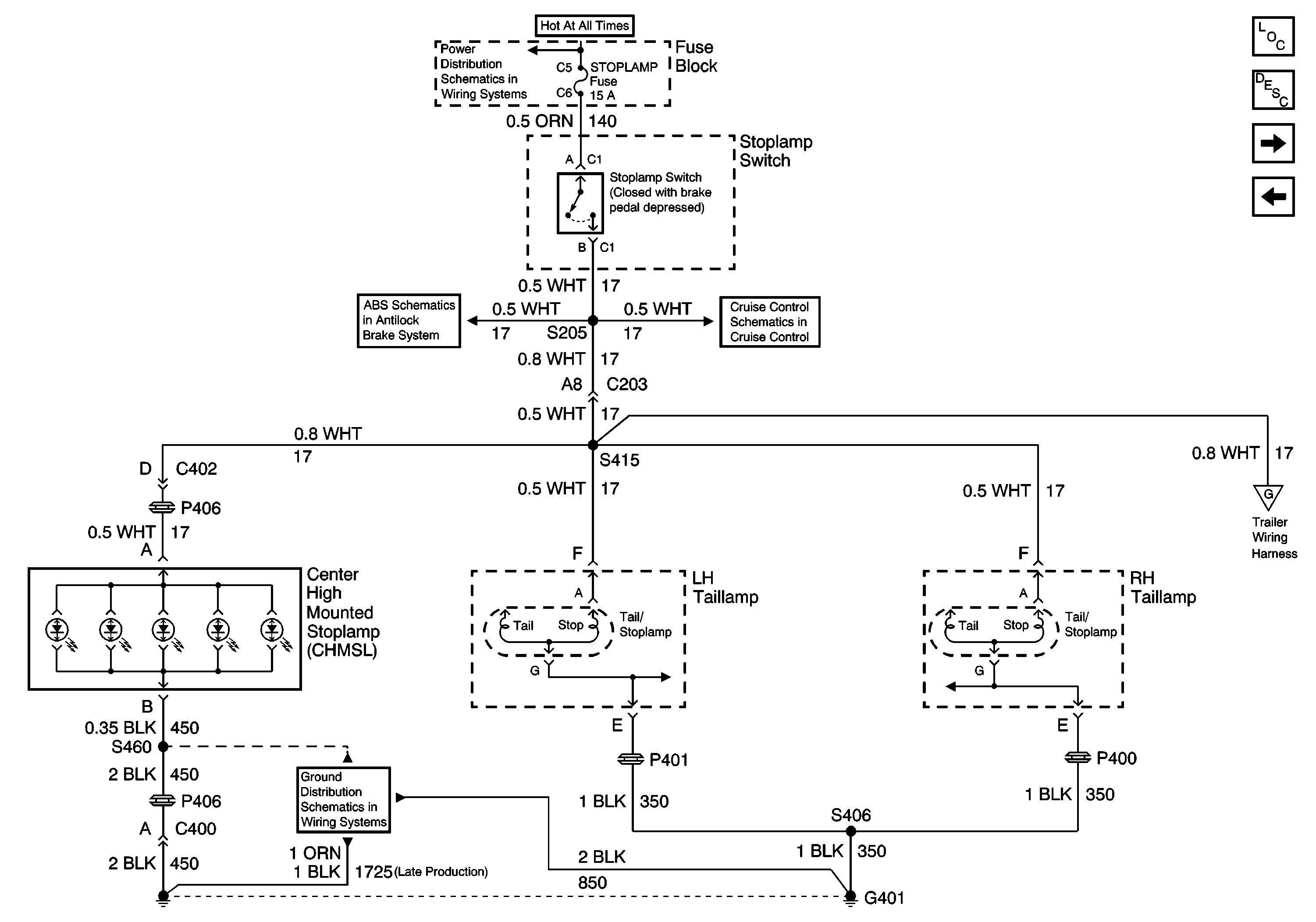
🢒 Export Stoplamps and CHMSL
Export Stoplamps and CHMSL
Export Stoplamps and CHMSL
Stop Lamp, Hazard, and Pass Key Fuses, FRT HVAC MI BLWR and Headlamp Circuit Breakers
ABS/TCS Schematics ( ABS MoDULE, DLC, Ground, Instrument Cluster, PCM, Power, Stop Lamp Switch)
Cell 14: G401
Cell 34
Export Trailer Wiring Harness
Lighting Systems Components
Exterior Lights Circuit Description
Export Trailer Wiring Harness
Export Taillamps