GM Service Manual Online
For 1990-2009 cars only
Makes
🢒
Chevrolet
🢒
1998
🢒
Venture Ext.
🢒
Body and Accessories
🢒
Doors
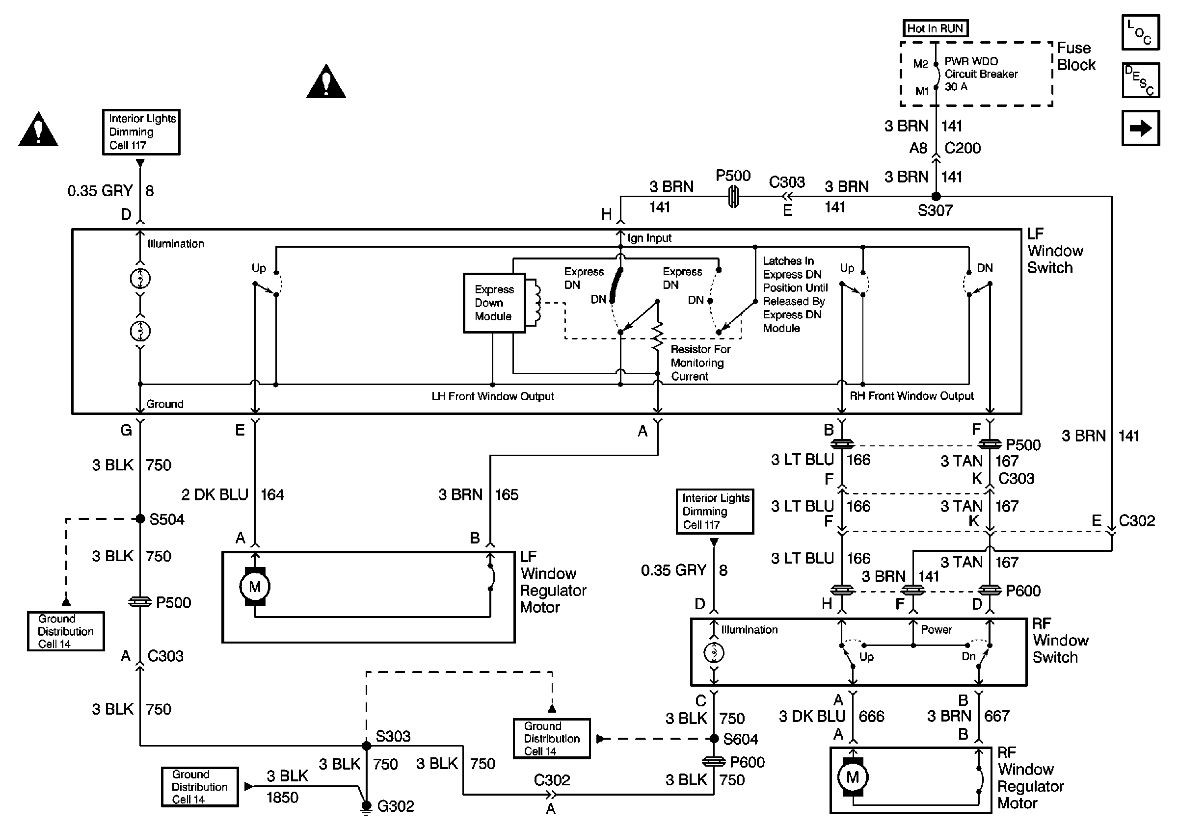
🢒 Power Window Schematics
Figure
1:
Power Window Circuit Breaker
Ground Distribution Schematics
Ground Distribution Schematics
Ground Distribution Schematics
Interior Lights Dimming Schematics
Interior Lights Dimming Schematics
Power Door Systems Components
Power Windows Circuit Description
Left/Right Rear Window Actuators
Express Window Down Caution
Power Door Systems Schematic Icons
Figure
2:
Left/Right Rear Window Actuators
Interior Lights Dimming Schematics
Ground Distribution Schematics
Power Distribution Schematics
Power Door Systems Components
Power Windows Circuit Description
Power Window Circuit Breaker