GM Service Manual Online
For 1990-2009 cars only
Figure 1:

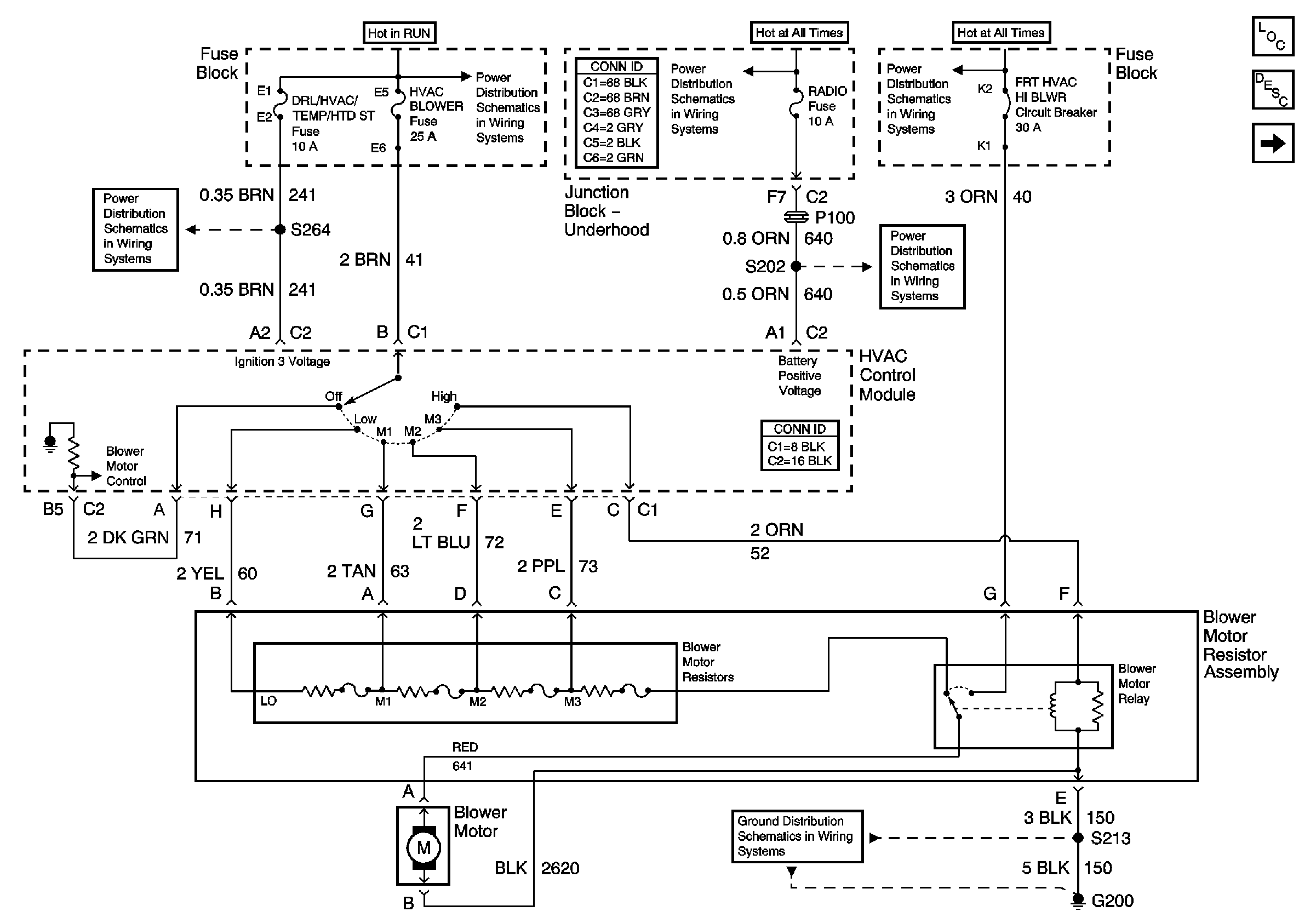
Front Blower Controls


Object Number: 716355  Size: FS
DRL/HVAC/TEMP/HTD ST, HVAC BLOWER and RR HVAC/TEMP CONT Fuses
DRL/HVAC/TEMP/HTD ST, HVAC BLOWER and RR HVAC/TEMP CONT Fuses
EBCM, BATT MAIN 1, RADIO and PARK LP Fuses
EBCM, BATT MAIN 1, RADIO and PARK LP Fuses
Junction Block - Underhood, STOPLAMP, HAZARD, PASSKEY, FRT HVAC HI BLWR and HEADLAMP Circuit Breakers
G200 (2 of 3)
Master Electrical Component List
Air Temperature Description and Operation
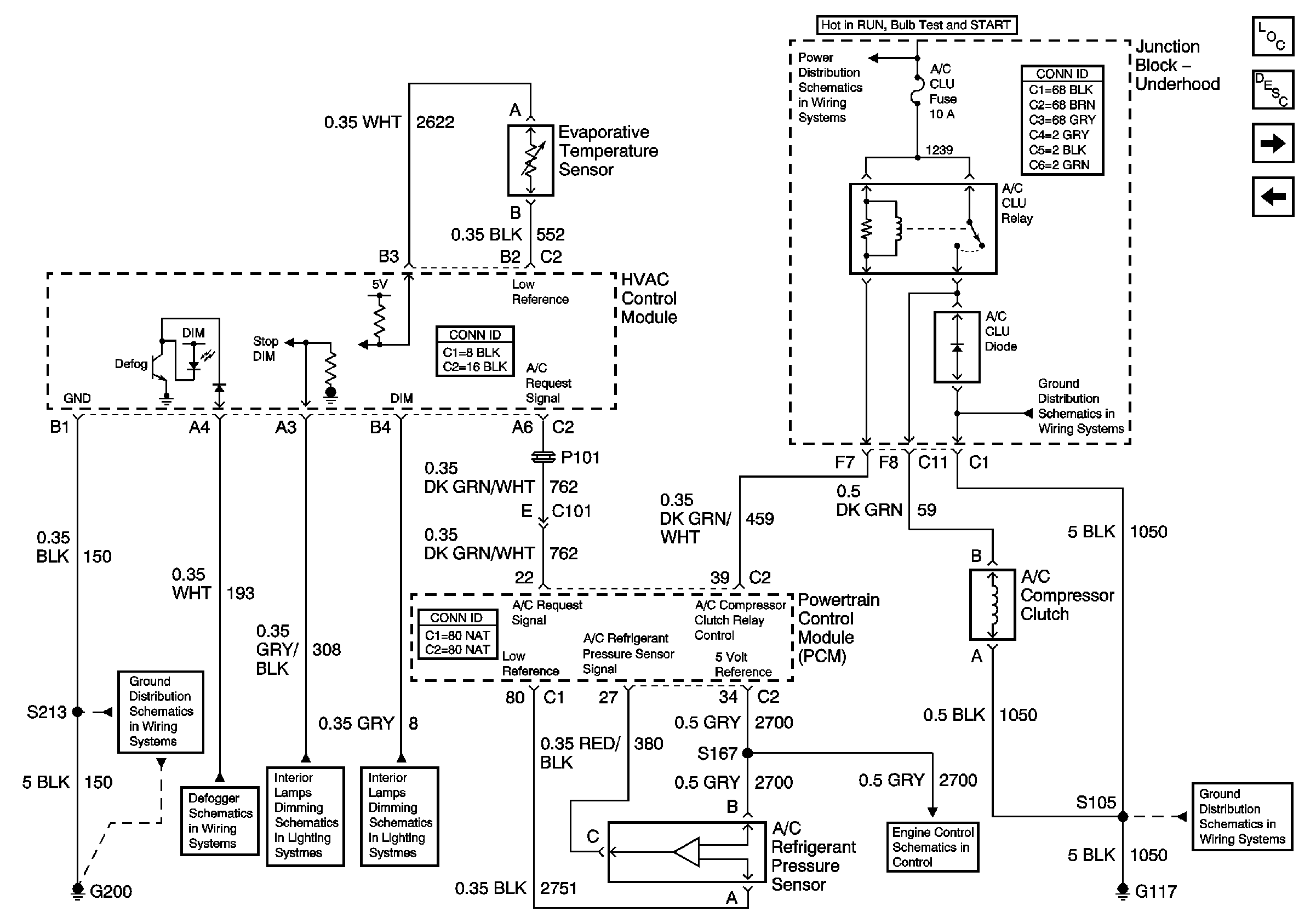
HVAC Compressor Control
Figure 2:

HVAC Compressor Control


Object Number: 696300  Size: FS
G200 (2 of 3)
Defogger
Headlamp and IP Lamp Dimmer Switch
Headlamp and IP Lamp Dimmer Switch
Junction Block - Underhood
G114 and G117
Fuel Control
G114 and G117
Master Electrical Component List
Air Temperature Description and Operation
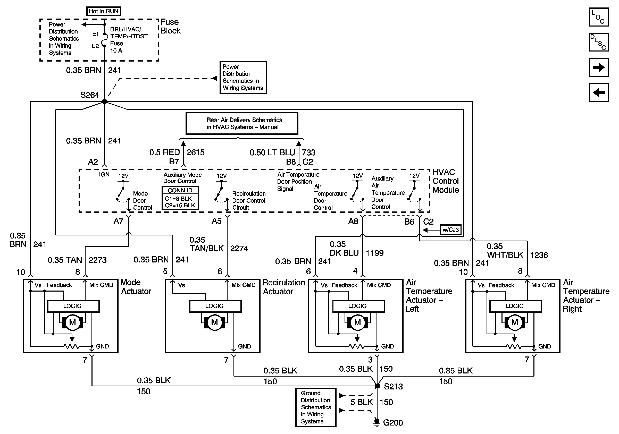
Front Air Delivery
Front Blower Controls
Figure 3:

Front Air Delivery


Object Number: 716359  Size: FS
DRL/HVAC/TEMP/HTD ST, HVAC BLOWER and RR HVAC/TEMP CONT Fuses
DRL/HVAC/TEMP/HTD ST, HVAC BLOWER and RR HVAC/TEMP CONT Fuses
G200 (2 of 3)
Master Electrical Component List
Air Temperature Description and Operation
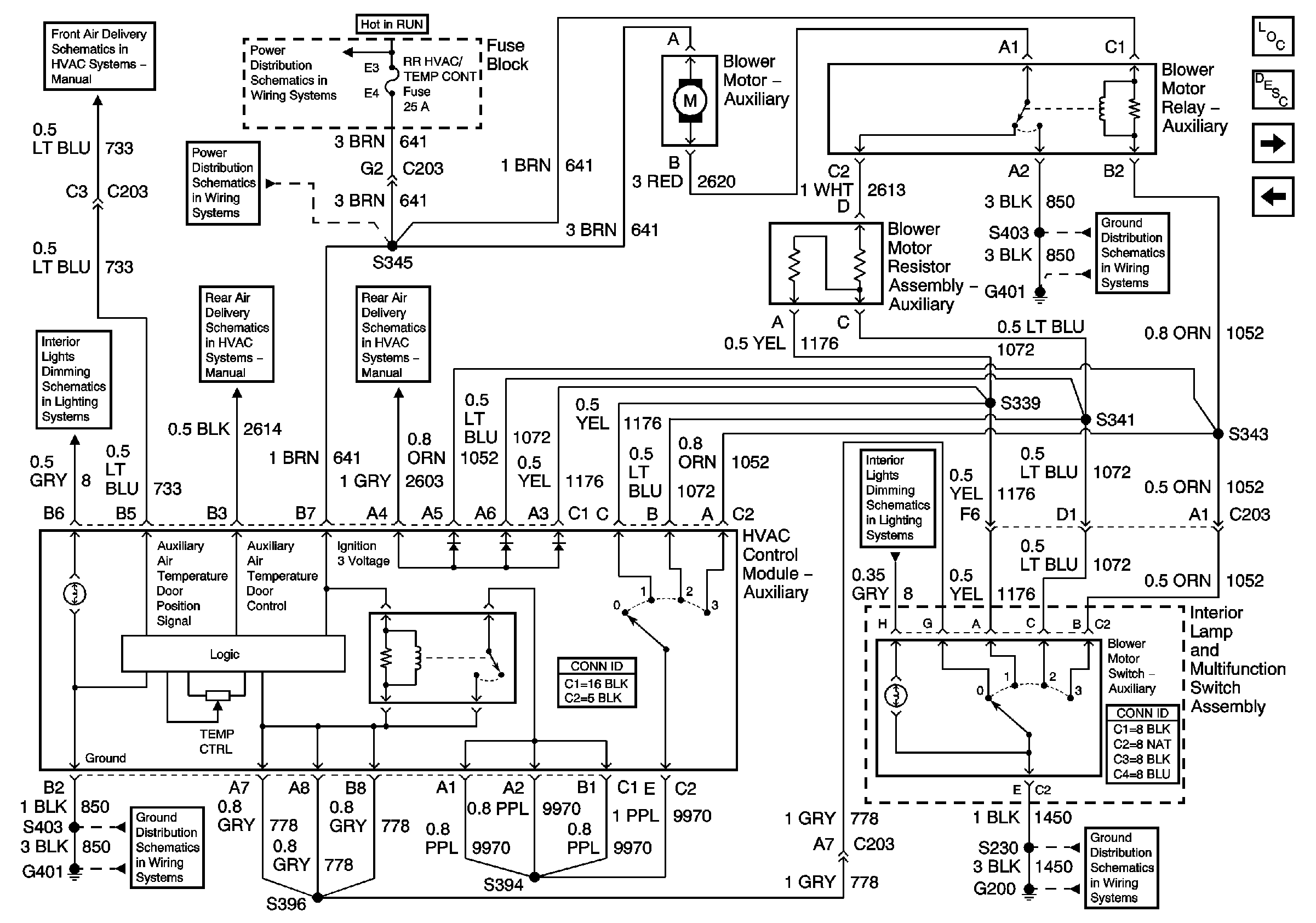
Rear Blower Controls
HVAC Compressor Control
Figure 4:

Rear Blower Controls


Object Number: 716360  Size: FS
Front Air Delivery
DRL/HVAC/TEMP/HTD ST, HVAC BLOWER and RR HVAC/TEMP CONT Fuses
DRL/HVAC/TEMP/HTD ST, HVAC BLOWER and RR HVAC/TEMP CONT Fuses
Rear Window Wiper/Washer and Multifunction Switch, Window and Door Lock Switches
Rear Air Delivery
Rear Air Delivery
G401 and G402
Rear Window Wiper/Washer and Multifunction Switch, Window and Door Lock Switches
G401 and G402
G200 (1 of 3)
Master Electrical Component List
Air Temperature Description and Operation
Rear Air Delivery
Front Air Delivery
Figure 5:

Rear Air Delivery


Object Number: 716362  Size: FS
Front Air Delivery
DRL/HVAC/TEMP/HTD ST, HVAC BLOWER and RR HVAC/TEMP CONT Fuses
DRL/HVAC/TEMP/HTD ST, HVAC BLOWER and RR HVAC/TEMP CONT Fuses
Front Air Delivery
Rear Window Wiper/Washer and Multifunction Switch, Window and Door Lock Switches
G401 and G402
Rear Blower Controls
G401 and G402
G401 and G402
Rear Blower Controls
Master Electrical Component List
Air Temperature Description and Operation
Rear Blower Controls