GM Service Manual Online
For 1990-2009 cars only
Makes
🢒
Chevrolet
🢒
2001
🢒
Venture Ext.
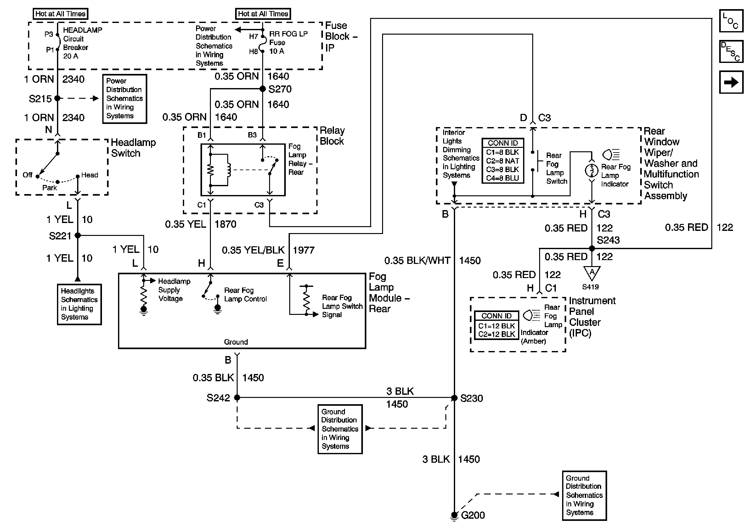
🢒 Export Rear Fog Lights
Export Rear Fog Lights
Export Rear Fog Lights
Export DRL/Headlamp and IP Lamp Dimmer Switch
Junction Block - Underhood, STOPLAMP, HAZARD, PASSKEY, FRT HVAC HI BLWR and HEADLAMP Circuit Breakers
BATT MAIN 2, ELC/TRAILER, RR DEFOG, RR FOG LP Fuses and PWR/HEATED SEAT PSD Circuit Breaker
G200 (1 of 3)
Rear Window Wiper/Washer and Multifunction Switch, Window and Door Lock Switches
Export Rear Fog Lights
G200 (1 of 3)
Master Electrical Component List
Exterior Lighting Systems Description and Operation
Export Rear Fog Lights