GM Service Manual Online
For 1990-2009 cars only
Makes
🢒
Chevrolet
🢒
2001
🢒
Venture Ext.
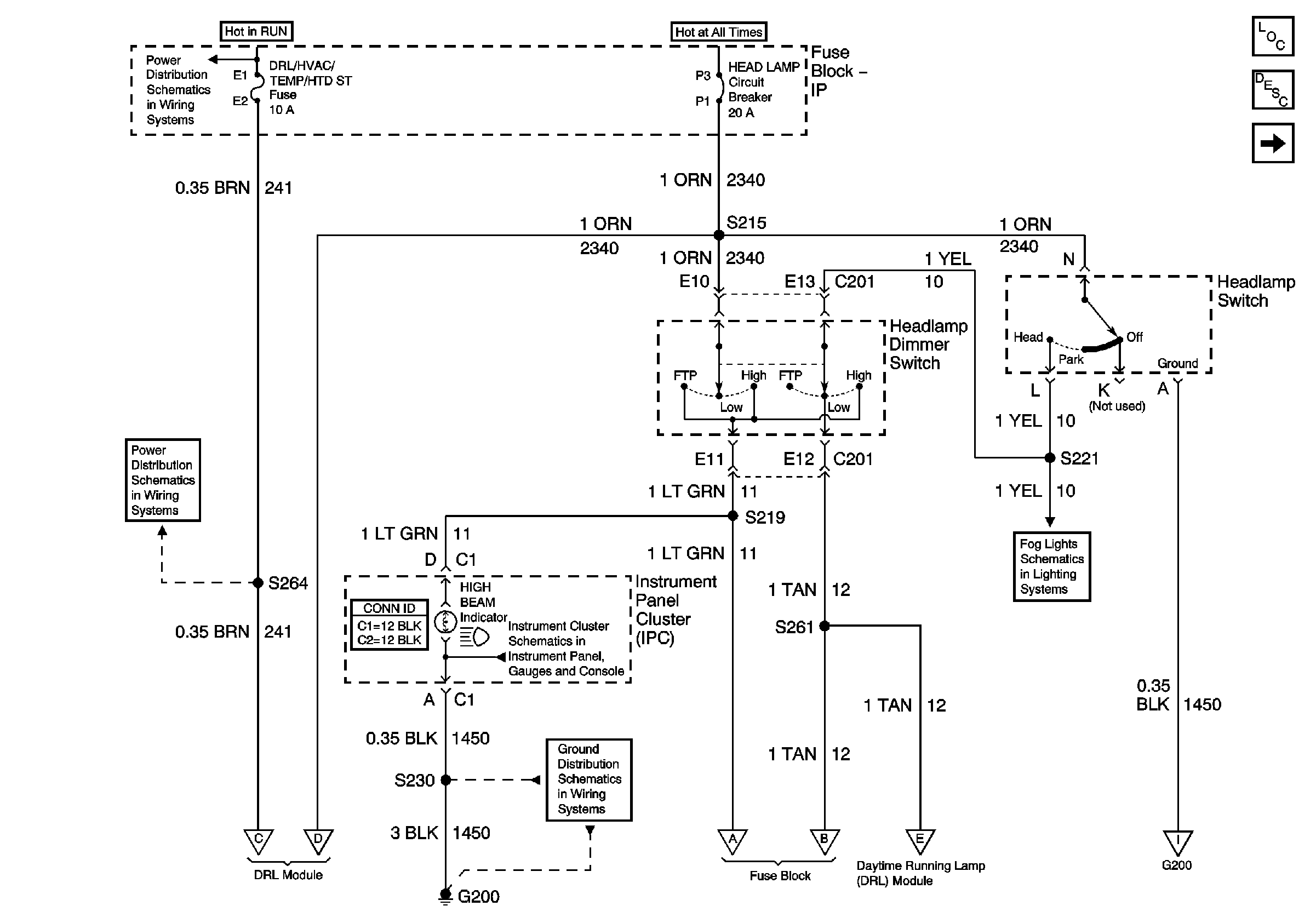
🢒 Export DRL/Headlamp and IP Lamp Dimmer Switch
Export DRL/Headlamp and IP Lamp Dimmer Switch
Export DRL/Headlamp and IP Lamp Dimmer Switch
DRL/HVAC/TEMP/HTD ST, HVAC BLOWER and RR HVAC/TEMP CONT Fuses
DRL/HVAC/TEMP/HTD ST, HVAC BLOWER and RR HVAC/TEMP CONT Fuses
Export Daytime Running Lamp Control Module
Export Daytime Running Lamp Control Module
G200 (1 of 3)
Export Headlights
Export Headlights
Export Daytime Running Lamp Control Module
EBCM, BATT MAIN 1, RADIO and PARK LP Fuses
Export Rear Fog Lights
Export Headlamp Position Lamps/License Lamps
Export Daytime Running Lamp Control Module
Export Daytime Running Lamp Control Module
Export Daytime Running Lamp Control Module
Export Daytime Running Lamp Control Module
Master Electrical Component List
Exterior Lighting Systems Description and Operation
Export Daytime Running Lamp Control Module