GM Service Manual Online
For 1990-2009 cars only
Makes
🢒
Chevrolet
🢒
2001
🢒
Venture Ext.
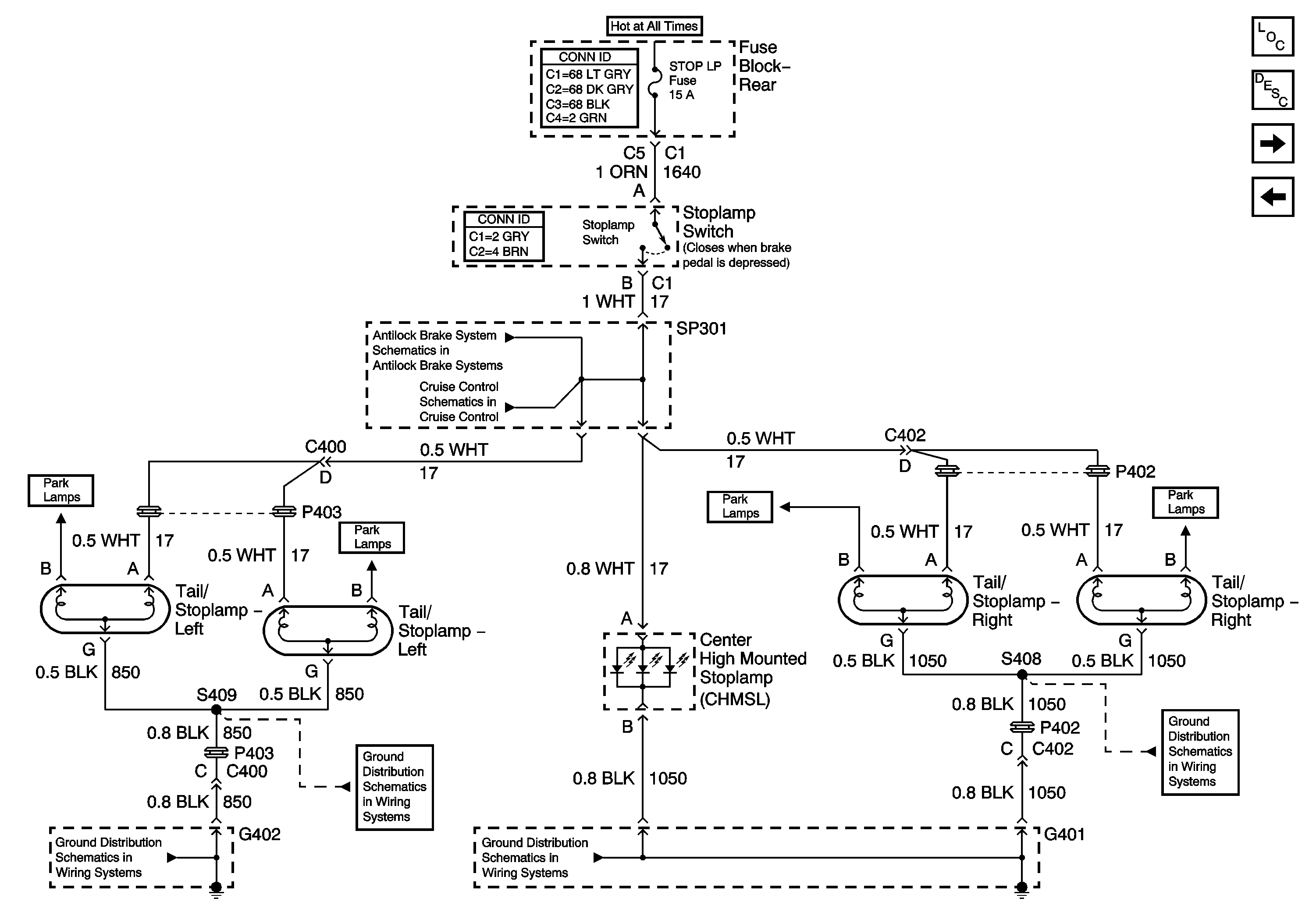
🢒 Stoplamps
Stoplamps
Stoplamps
Master Electrical Component List
Left Park and Side Marker Lamps
Turn Signal Lamps and Indicators
Power, Ground, BPMV Valves, and the Stoplamp Switch Controls
CCM and PCM Controls
Left Park and Side Marker Lamps
G402
Left Park and Side Marker Lamps
G402
G401 (2 of 2)
Right Park and Side Marker Lamps
Right Park and Side Marker Lamps
G401 (2 of 2)