GM Service Manual Online
For 1990-2009 cars only
Makes
🢒
Chevrolet
🢒
2001
🢒
Venture Ext.
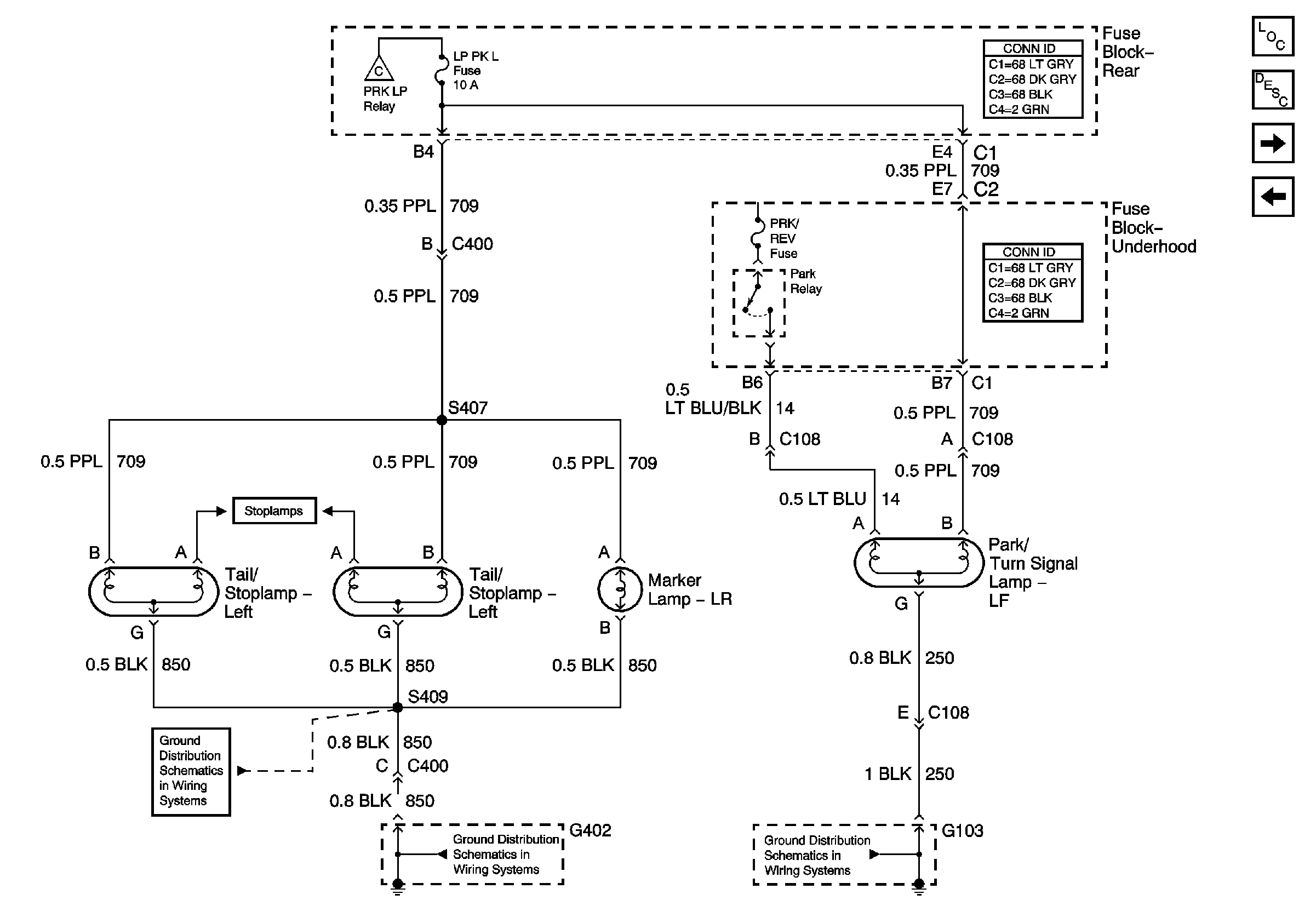
🢒 Left Park and Side Marker Lamps
Left Park and Side Marker Lamps
Left Park and Side Marker Lamps
Master Electrical Component List
PARK LP Relay and License Lamps
Right Park and Side Marker Lamps
Stoplamps
Stoplamps
G402
G402
G103
Turn Signal Lamps and Indicators