GM Service Manual Online
For 1990-2009 cars only
Makes
🢒
Chevrolet
🢒
2002
🢒
Venture Ext.
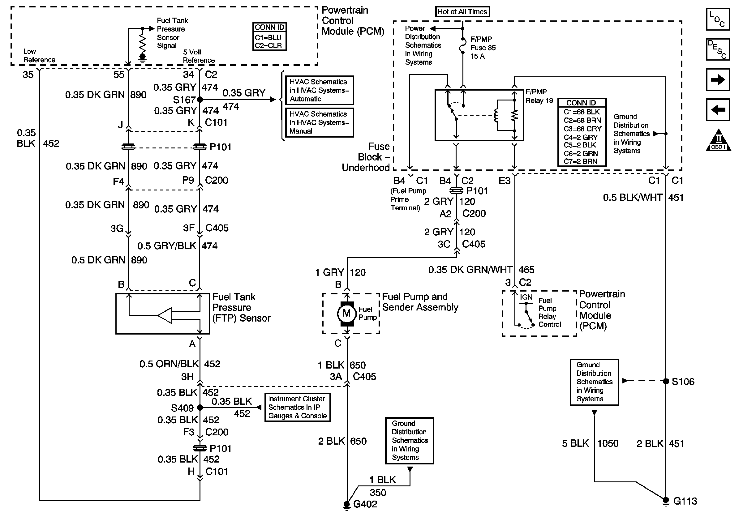
🢒 Fuel Pump Control, FTP
Fuel Pump Control, FTP
Fuel Pump Control, FTP
Master Electrical Component List
Fuel System Description
PCM References (1 of 2)
EVAP, MAF and EGR
Engine Controls Schematic Icons
Compressor Controls
Compressor Controls
Power Bussing for Fuse Block Underhood Page 1 of 2
G100,G111 and G113
Gauges
G402, Page 2 of 2
G100,G111 and G113