GM Service Manual Online
For 1990-2009 cars only
Makes
🢒
Chevrolet
🢒
2002
🢒
Venture Ext.
🢒 Compressor Controls
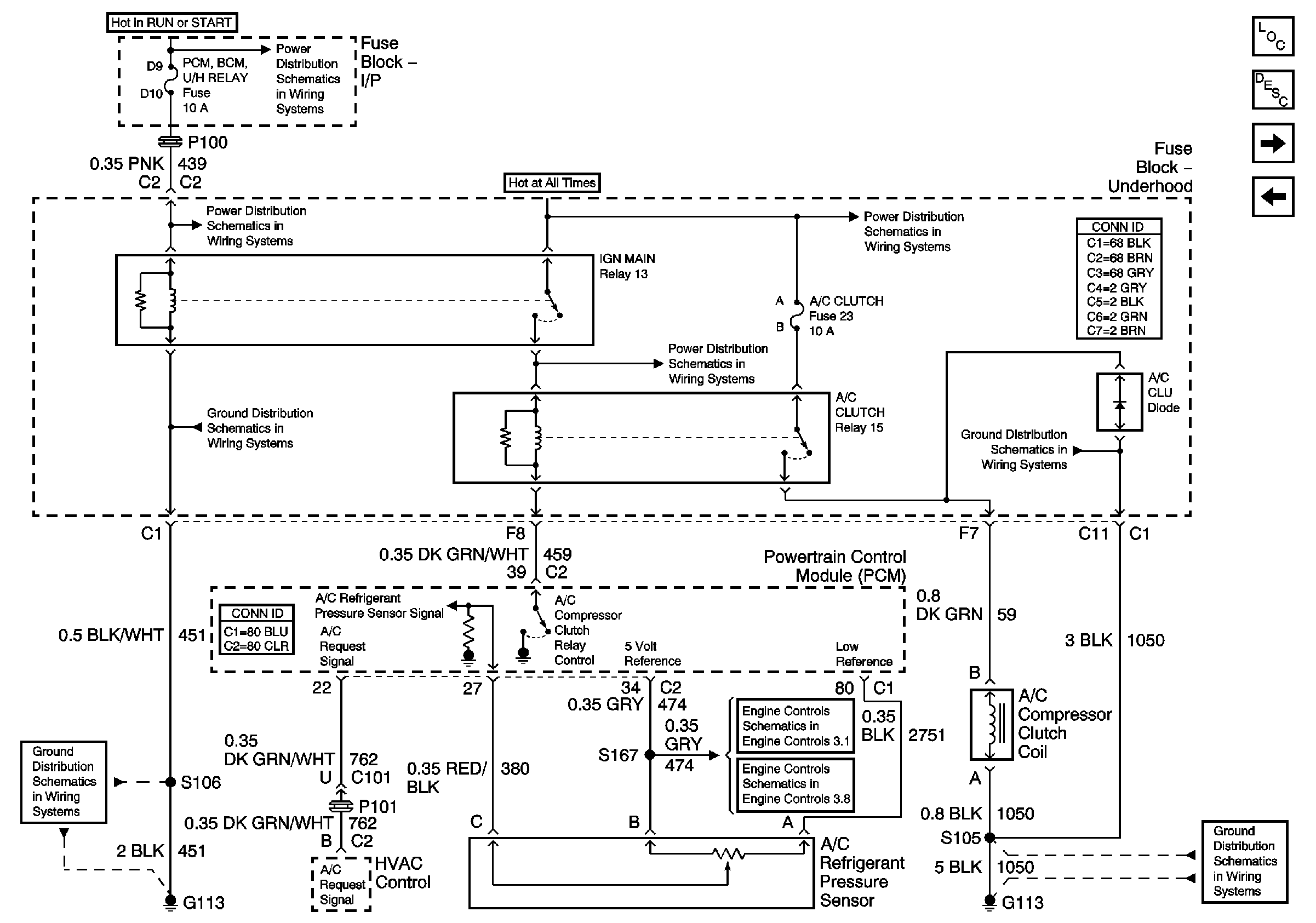
Compressor Controls
Compressor Controls
Master Electrical Component List
Air Temperature Description and Operation
Temperature Actuators
Blower Controls
Cluster, BCM, PCM, BTSI
Power Bussing for Fuse Block-Underhood page 2 of 2
G100,G111 and G113
G100,G111 and G113
Power Bussing for Fuse Block-Underhood page 2 of 2
Fuel Pump and FTP Sensor
Fuel Pump Control, FTP
Power Bussing for Fuse Block-Underhood page 2 of 2
G113
G113