GM Service Manual Online
For 1990-2009 cars only
Makes
🢒
Chevrolet
🢒
2007
🢒
Vivant
🢒
Body Systems
🢒
Mirrors
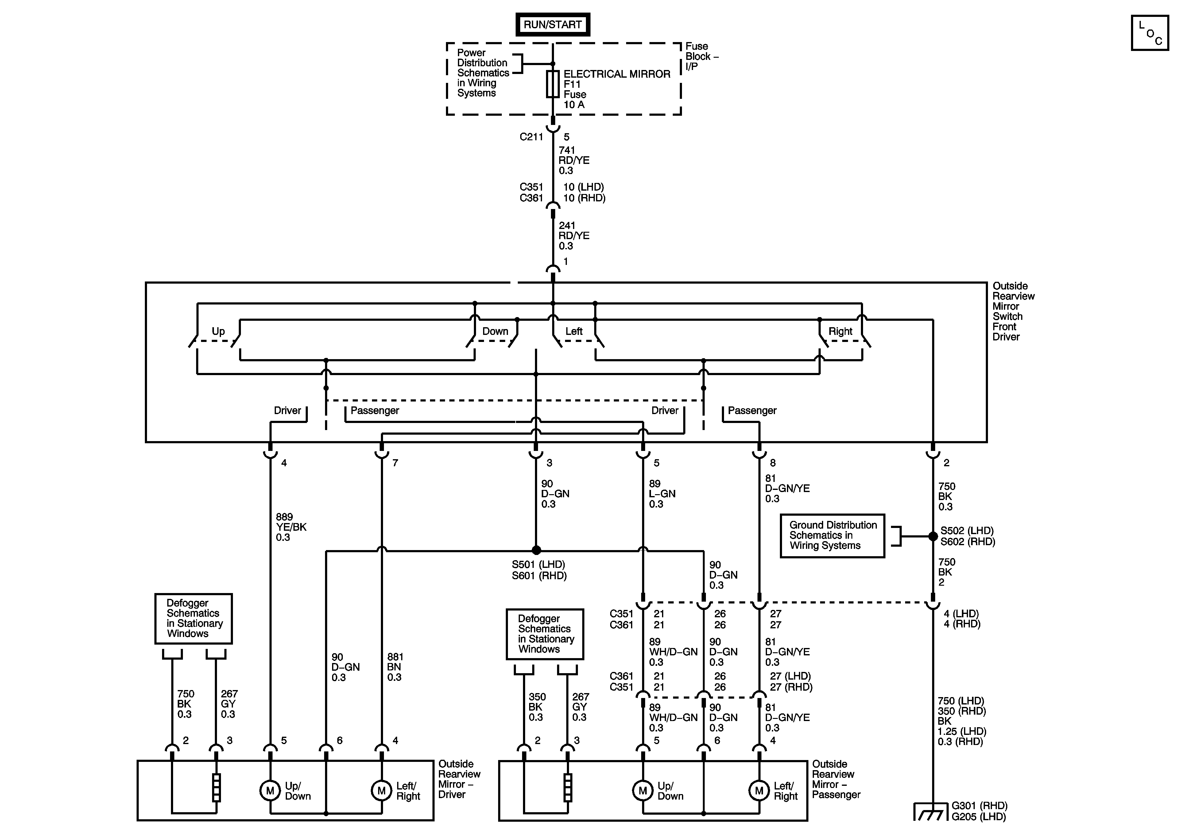
🢒 Outside Rearview Mirror Schematics
Power Mirrors Schematics
Master Electrical Component List
Underhood Fuse Block-Battery Feeds
Rear Defogger and Outside Rearview Mirror (LHD)
Rear Defogger and Outside Rearview Mirror (LHD)
G301 (Cont)