GM Service Manual Online
For 1990-2009 cars only
Makes
🢒
Generic
🢒
2003
🢒
Unit Repair
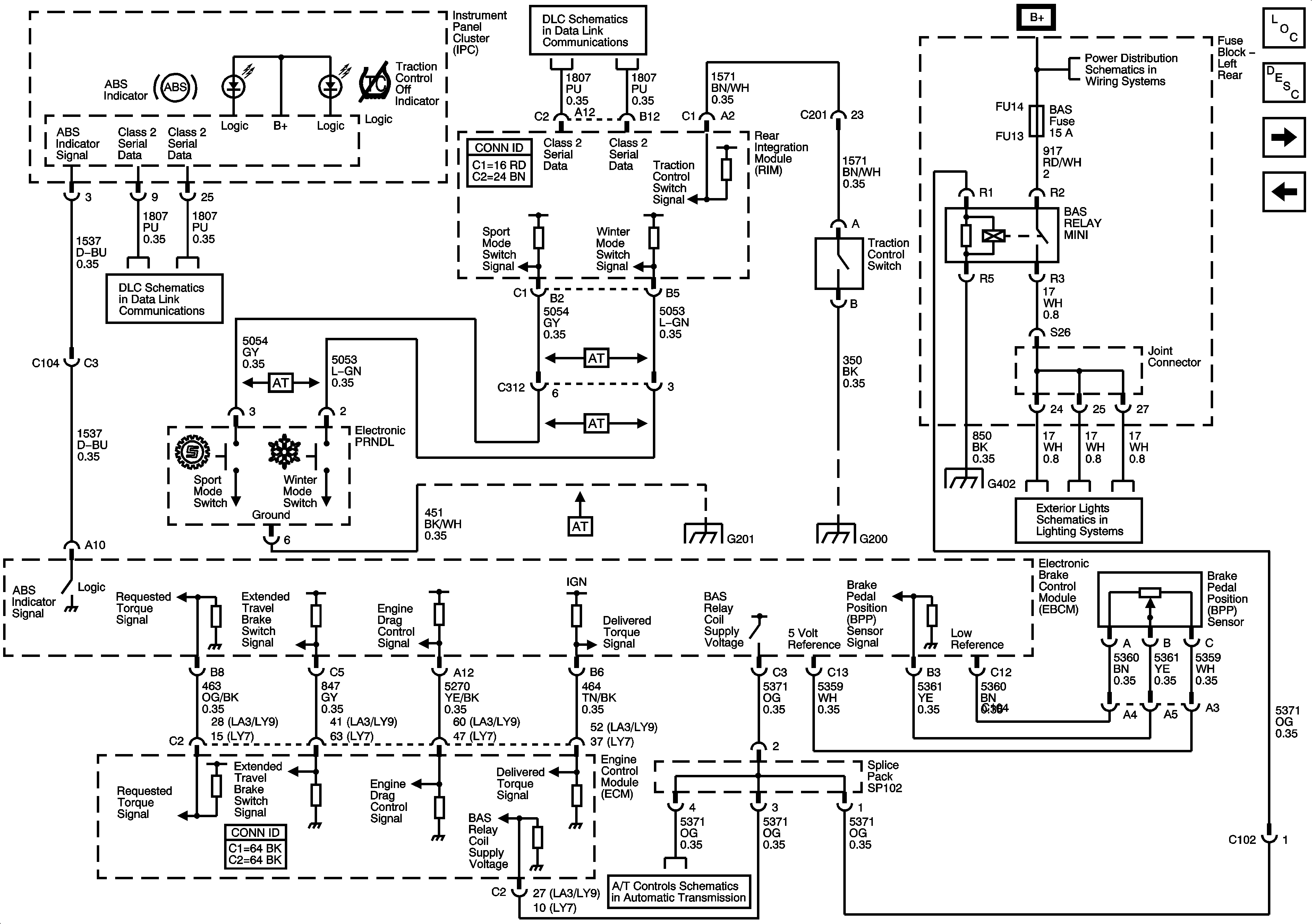
🢒 BPP Sensor, Switches and Indicators - 2.6L/3.2L/3.6L (LY9/LA3/LY7)
BPP Sensor, Switches and Indicators - 2.6L/3.2L/3.6L (LY9/LA3/LY7)
BPP Sensor, Switches and Indicators - 2.6L/3.2L/3.6L (LY9/LA3/LY7)
Master Electrical Component List
ABS Description and Operation
BPP Sensor, Switches and Indicators - 5.7L (LS6)
Vehicle Stability Enhancement System - JL4
Class 2 Serial Data Bus - LHD - 2 of 2
Left Rear Fuse Block B+ Bus
Class 2 Serial Data Bus - LHD - 1 of 2
G201
G200
G402 - 2 of 2
Stop Lamps, BPP Sensor and BAS Fuse/Relay (Domestic and Export)
Power, Ground, Serial Data, TCM and Internal Mode Switch (IMS)