GM Service Manual Online
For 1990-2009 cars only
Makes
🢒
Generic
🢒
2003
🢒
Unit Repair
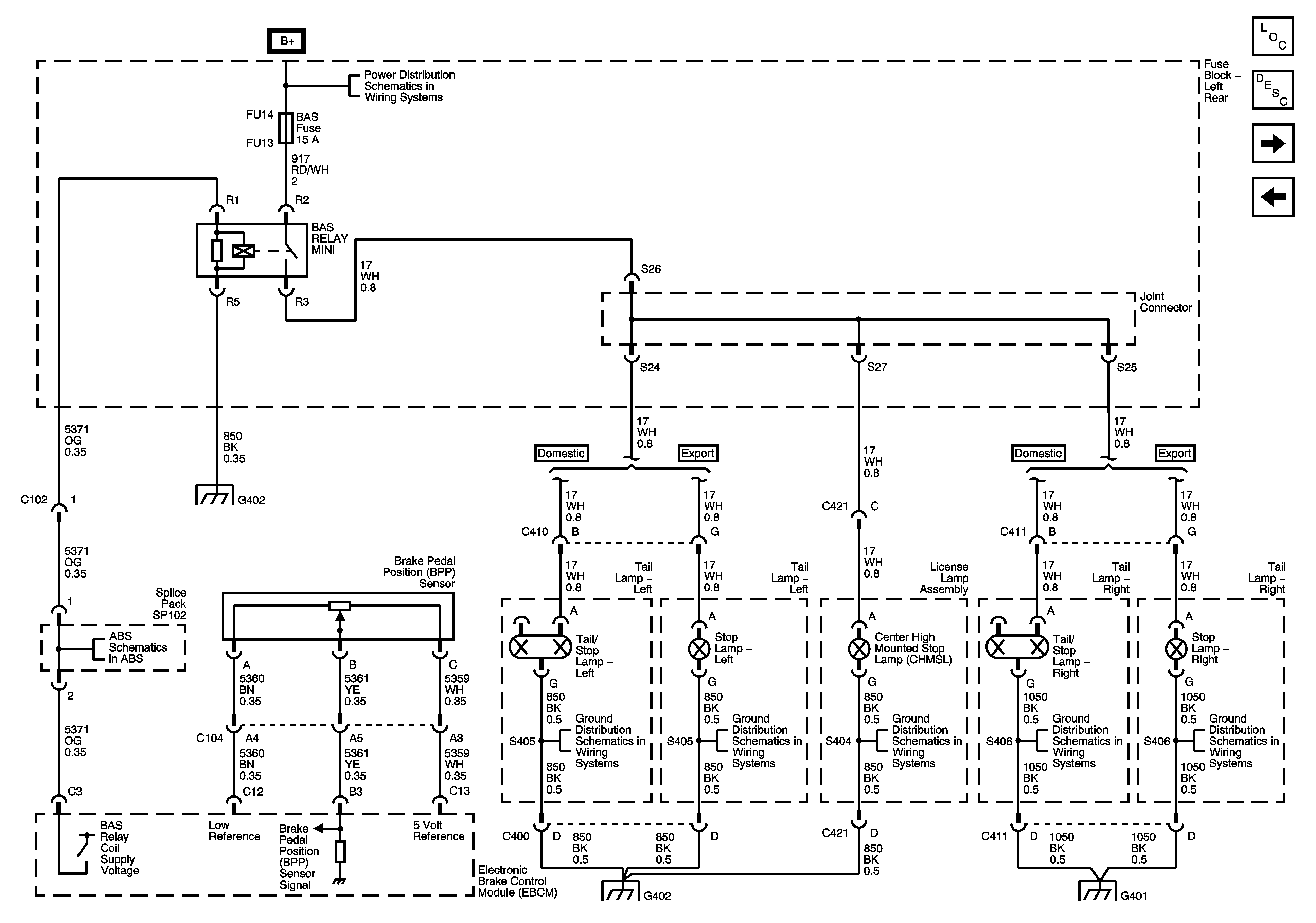
🢒 Stop Lamps, BPP Sensor and BAS Fuse/Relay (Domestic and Export)
Stop Lamps, BPP Sensor and BAS Fuse/Relay (Domestic and Export)
Stop Lamps, BPP Sensor and BAS Fuse/Relay (Domestic and Export)
Master Electrical Component List
Exterior Lighting Systems Description and Operation
Backup Lamps (Domestic and Export)
Position Lamps, Park Lamps and Tail Lamps (Export w/T79)
Left Rear Fuse Block B+ Bus
G402 - 2 of 2
BPP Sensor, Switches and Indicators - 2.6L/3.2L/3.6L (LY9/LA3/LY7)
G402 - 2 of 2
G402 - 2 of 2
G402 - 2 of 2
G401
G401
G402 - 2 of 2
G401