GM Service Manual Online
For 1990-2009 cars only
Makes
🢒
Generic
🢒
2003
🢒
Unit Repair
🢒 Manual Transmission (M35)
Manual Transmission (M35)
Master Electrical Component List
Transmission System Description and Operation
OBD II Symbol Description Notice
Ignition Switch - 2 of 2
G104 - 1 of 2
Underhood Fuse Block WASH NOZ, STRG CTLS and IGN MOD/MAF Fuses
Underhood Fuse Block B+ Bus - 2 of 2
Underhood Fuse Block B+ Bus - 2 of 2
Underhood Fuse Block B+ Bus - 2 of 2
Underhood Fuse Block MAIN Relay, Cooling Fan Fuses/Relays, ECM and TOS Fuses
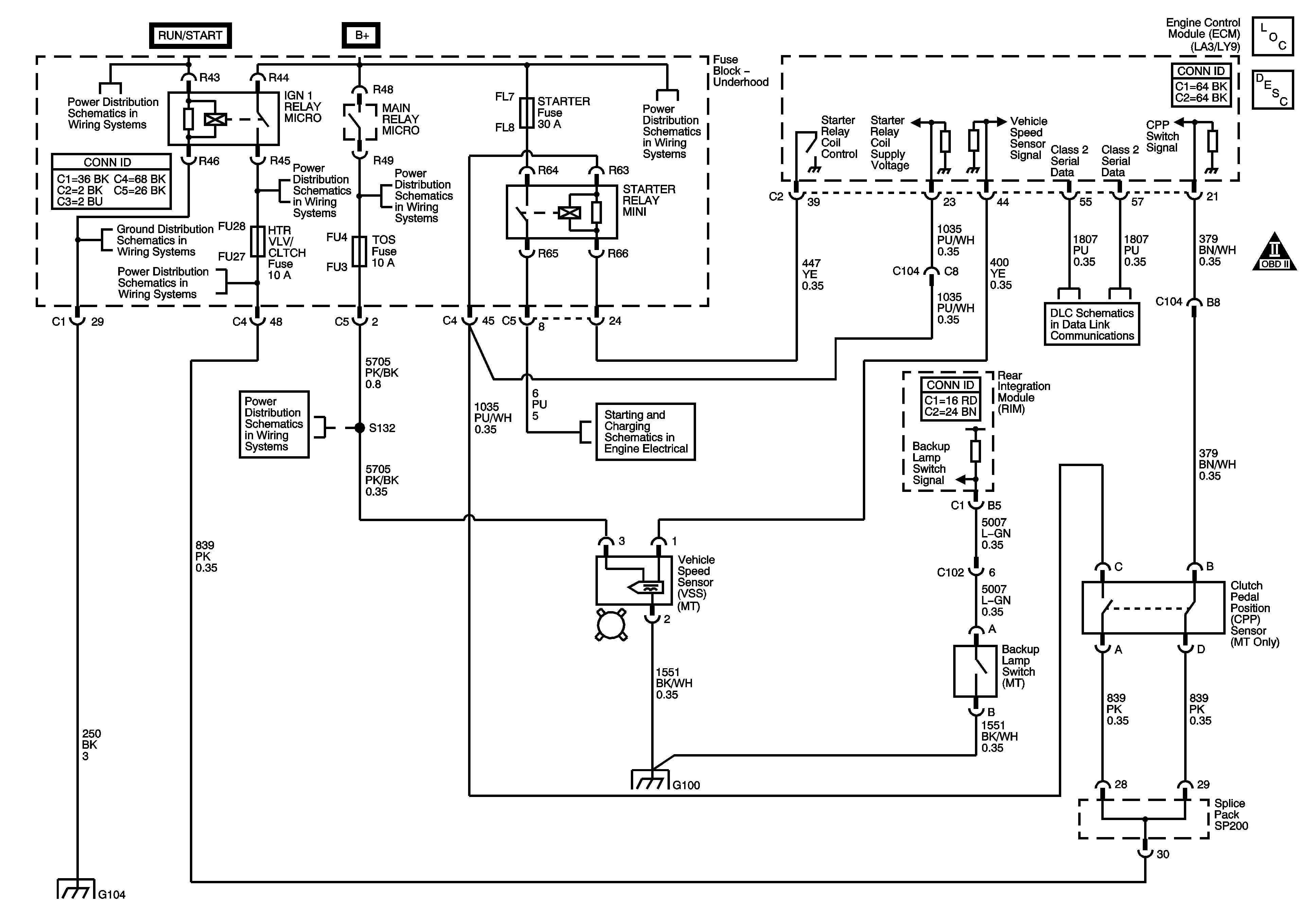
Starting System - 2.6L/3.2L/3.6L (LY9/LA3/LY7)
Class 2 Serial Data Bus - LHD - 1 of 2
G100 and G107 - 2.6L/3.2L (LY9/LA3)
G104 - 1 of 2