GM Service Manual Online
For 1990-2009 cars only
Makes
🢒
Generic
🢒
2003
🢒
Unit Repair
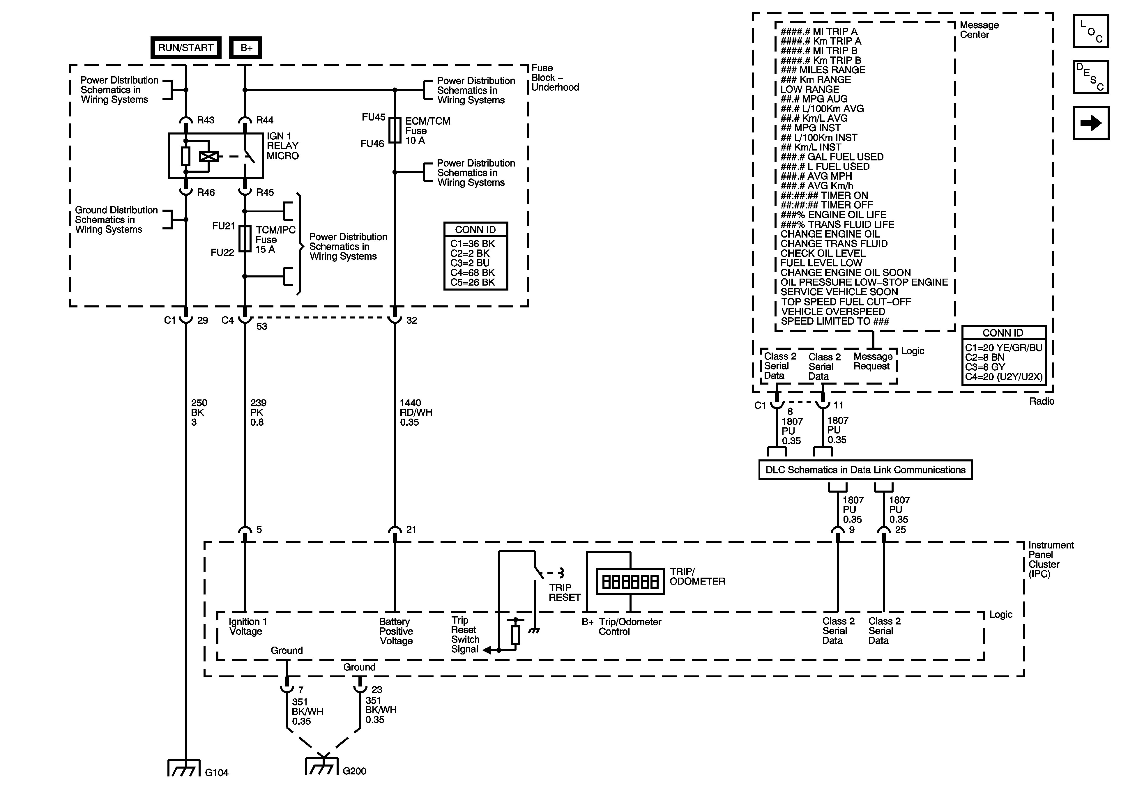
🢒 Power, Ground, Serial Data, Odometer, and DIC
Power, Ground, Serial Data, Odometer, and DIC
Power, Ground, Serial Data, Odometer, and DIC
Master Electrical Component List
Instrument Cluster Description and Operation
Indicators
Ignition Switch - 2 of 2
Underhood Fuse Block B+ Bus - 2 of 2
G104 - 1 of 2
Ignition Switch - 2 of 2
Underhood Fuse Block DIM/ALDL, VOLT CHECK, FLASHER, CCP, ECM/TCM and ABS Fuses
Class 2 Serial Data Bus - LHD - 1 of 2
G104 - 1 of 2
G200