GM Service Manual Online
For 1990-2009 cars only
Makes
🢒
Generic
🢒
2003
🢒
Unit Repair
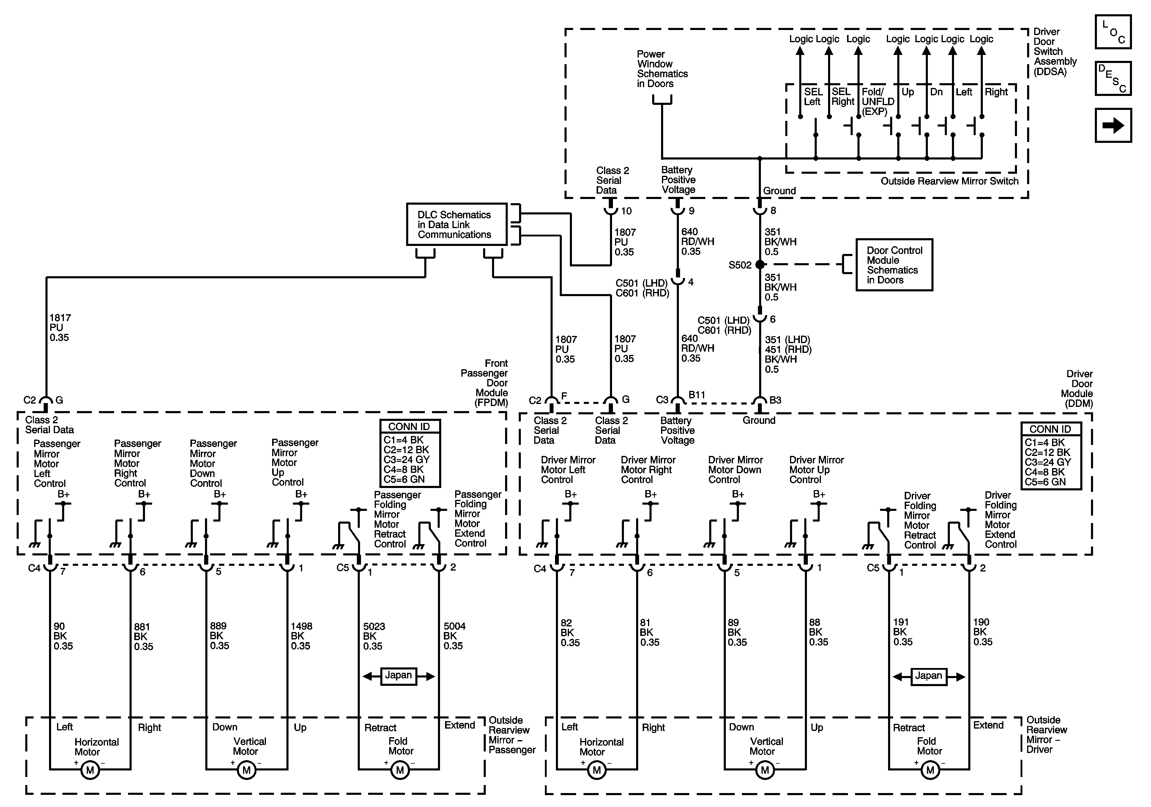
🢒 Outside Rearview Mirrors, Driver Door Switch Assembly (DDSA) and Front Door Modules
Outside Rearview Mirrors, Driver Door Switch Assembly (DDSA) and Front Door Modules
Outside Rearview Mirrors, Driver Door Switch Assembly (DDSA) and Front Door Modules
Master Electrical Component List
Outside Mirror Description and Operation
Driver Outside Rearview Mirror (A45)
Front Power Window Switches and Motors
Class 2 Serial Data Bus - LHD - 1 of 2
Driver Door Module (DDM) Power, Ground, and Serial Data