GM Service Manual Online
For 1990-2009 cars only
Makes
🢒
Generic
🢒
2003
🢒
Unit Repair
🢒 Driver Outside Rearview Mirror (A45)
Driver Outside Rearview Mirror (A45)
Driver Outside Rearview Mirror (A45)
Master Electrical Component List
Outside Mirror Description and Operation
Passenger Outside Rearview Mirror (A45)
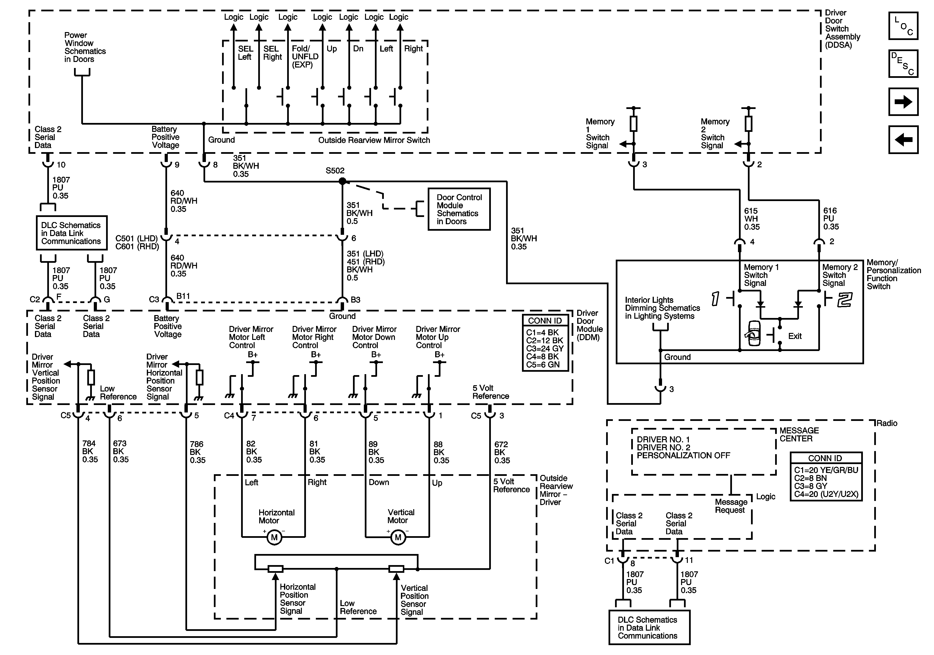
Outside Rearview Mirrors, Driver Door Switch Assembly (DDSA) and Front Door Modules
Front Power Window Switches and Motors
Class 2 Serial Data Bus - LHD - 1 of 2
Driver Door Module (DDM) Power, Ground, and Serial Data
Class 2 Serial Data Bus - LHD - 2 of 2