GM Service Manual Online
For 1990-2009 cars only
Makes
🢒
Generic
🢒
2003
🢒
Unit Repair
🢒 Engine Data Sensors - Throttle Actuator Control (TAC) System
Engine Data Sensors - Throttle Actuator Control (TAC) System
Engine Data Sensors - Throttle Actuator Control (TAC) System
Master Electrical Component List
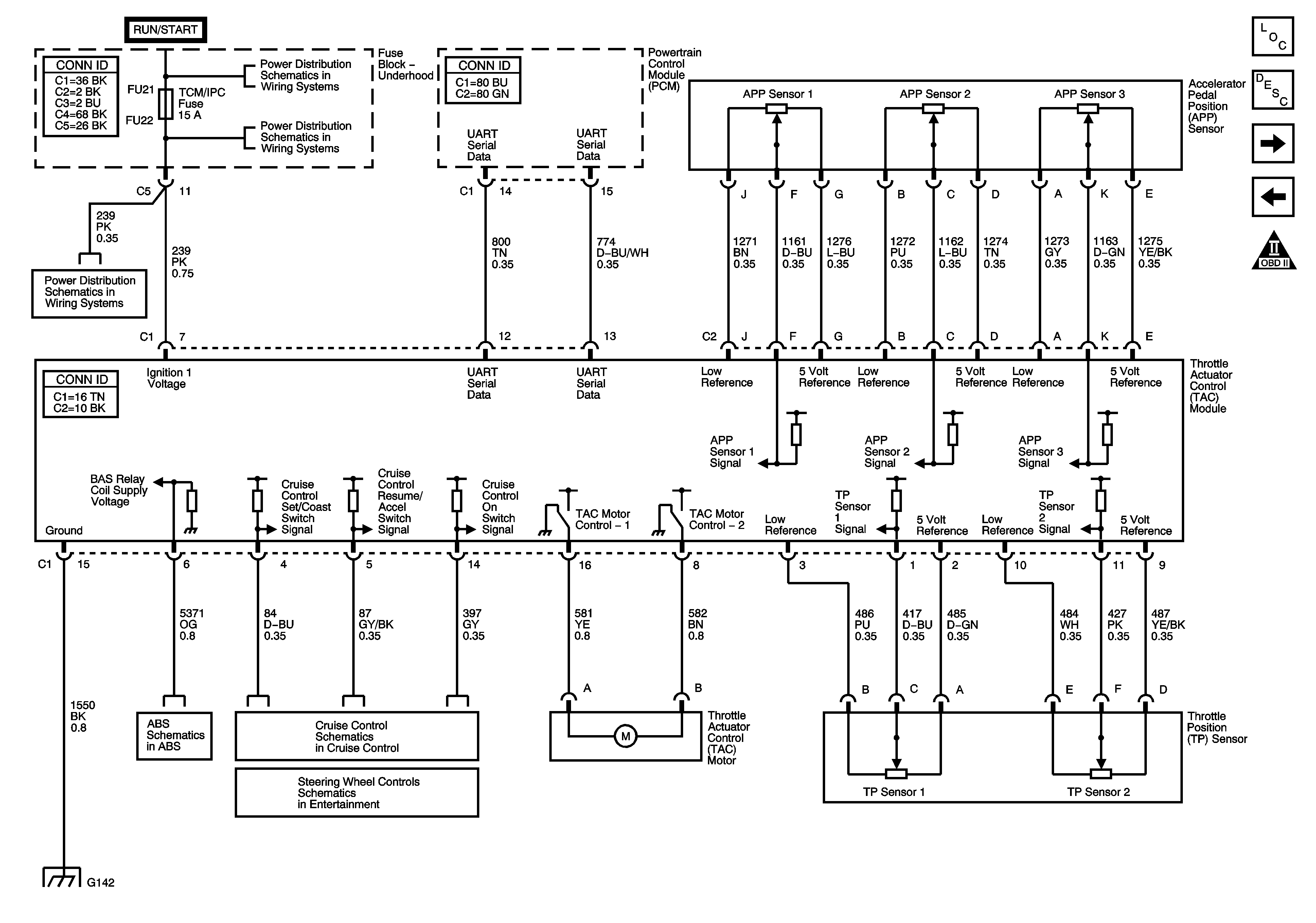
Throttle Actuator Control (TAC) System Description
Ignition Controls - Odd Ignition Coils
Engine Data Sensors - Heated Oxygen Sensors (HO2S)
OBD II Symbol Description Notice
Underhood Fuse Block B+ Bus - 2 of 2
Underhood Fuse Block STARTER and IGN 1 Relays, HTR VLV/CLTCH and TCM/IPC Fuses
Underhood Fuse Block STARTER and IGN 1 Relays, HTR VLV/CLTCH and TCM/IPC Fuses
BPP Sensor, Switches and Indicators - 5.7L (LS6)
Cruise Control System - 5.7L (LS6)
Steering Wheel Controls - 5.7L (LS6)
G140, G141 and G142 - 5.7L (LS6)