GM Service Manual Online
For 1990-2009 cars only
Makes
🢒
Generic
🢒
2003
🢒
Unit Repair
🢒 Manual Transmission (M12)
Manual Transmission (M12)
Master Electrical Component List
Manual Transmission Description and Operation
OBD II Symbol Description Notice
Underhood Fuse Block B+ Bus - 2 of 2
Ignition Switch - 2 of 2
Underhood Fuse Block WASH NOZ, STRG CTLS and IGN MOD/MAF Fuses
G104 - 1 of 2
Indicators
Underhood Fuse Block PRE O2/CAM Fuse
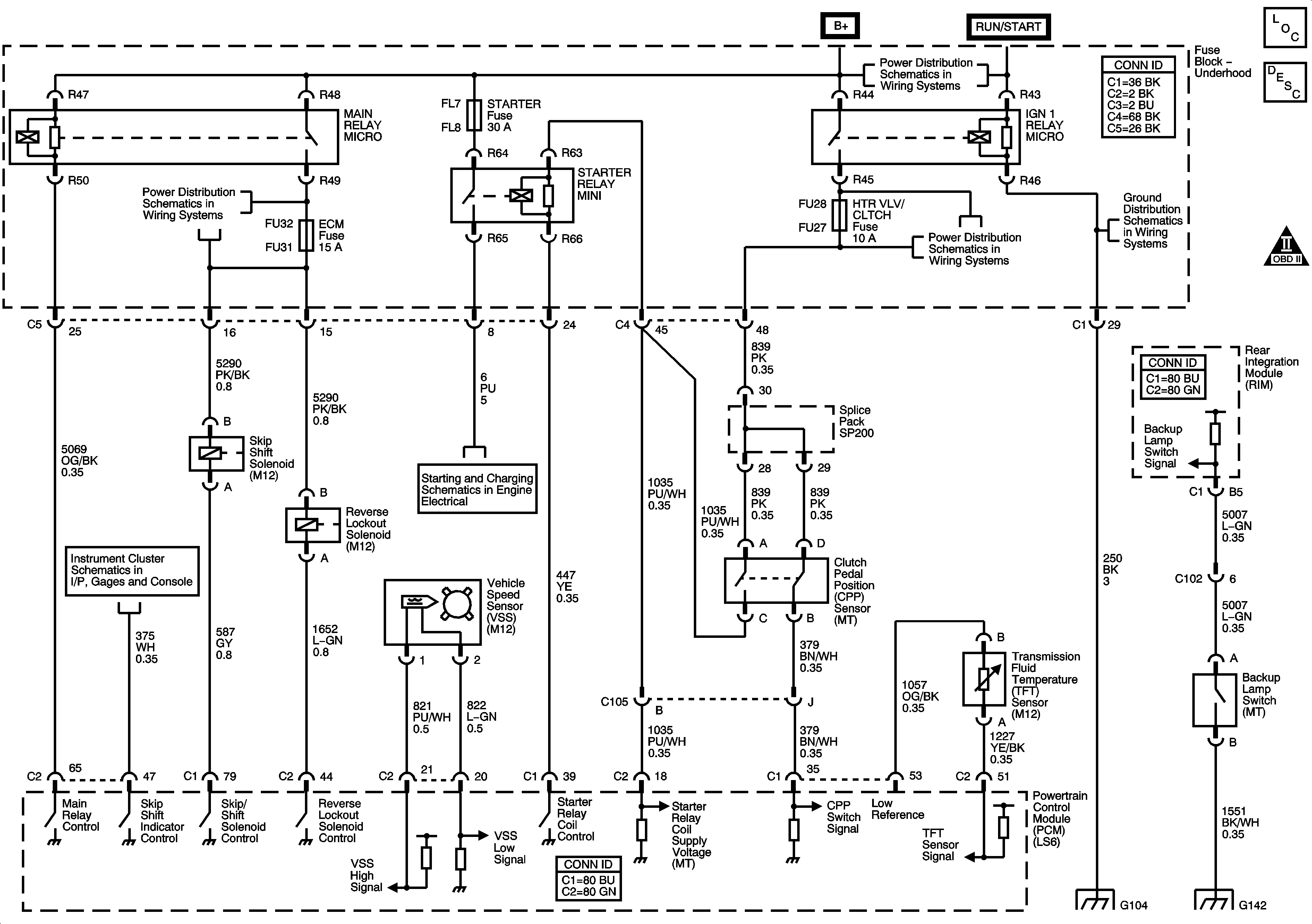
Starting System - 5.7L (LS6)
G104 - 1 of 2
G140, G141 and G142 - 5.7L (LS6)