GM Service Manual Online
For 1990-2009 cars only
Makes
🢒
Generic
🢒
2003
🢒
Unit Repair
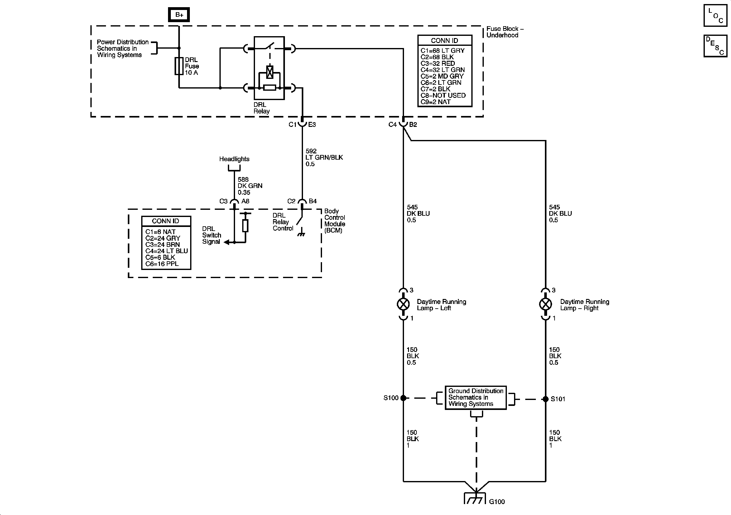
🢒 DRL Lamps and Control Circuits
DRL Lamps and Control Circuits
Master Electrical Component List
Exterior Lighting Systems Description and Operation
B+ Bus
Headlamp Controls, Switches, Ambient Light Sensor
G105 and G100