GM Service Manual Online
For 1990-2009 cars only
Makes
🢒
Generic
🢒
2003
🢒
Unit Repair
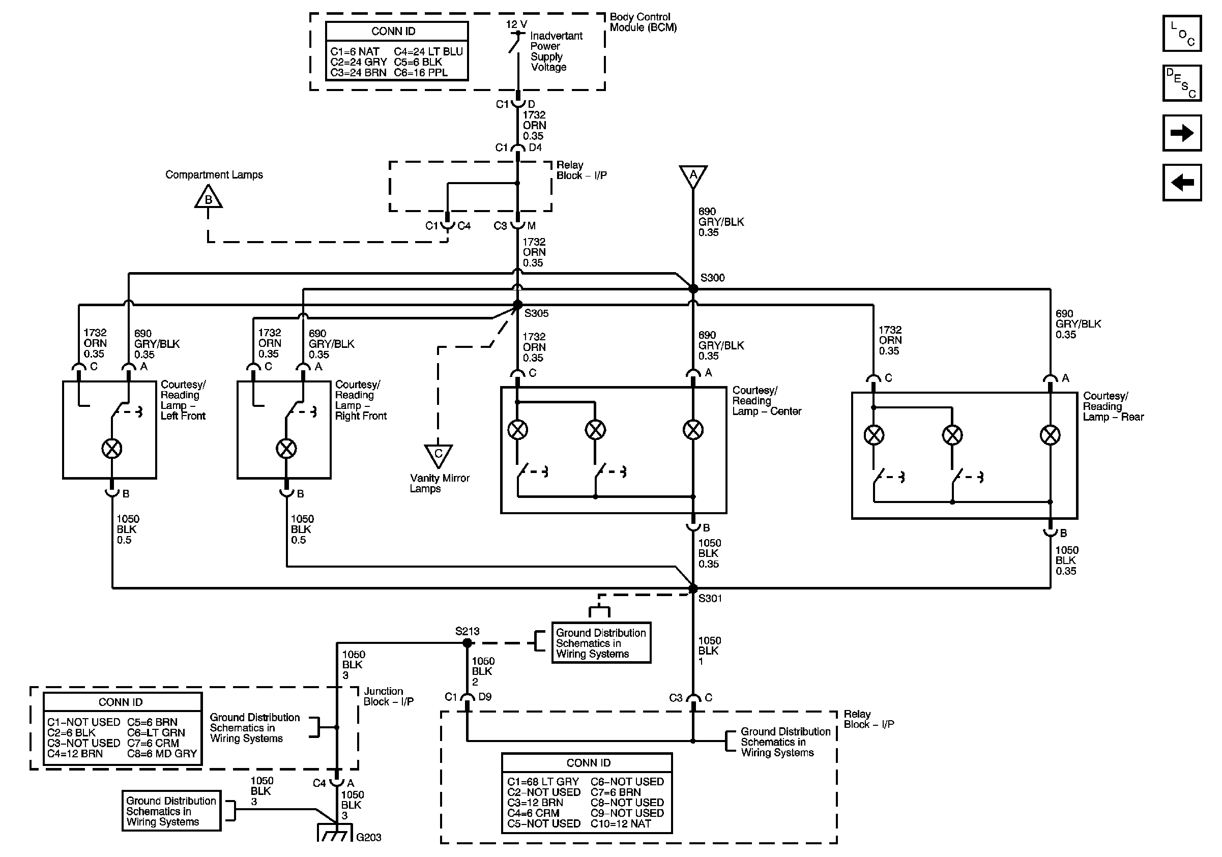
🢒 Courtesy Lamps - Headliner Front, Center, and Rear
Courtesy Lamps - Headliner Front, Center, and Rear
Courtesy Lamps -- Headliner Front, Center, and Rear
Master Electrical Component List
Interior Lighting Systems Description and Operation
Courtesy Lamps - Front Doors; Vanity Mirror, and IP Compartment Lamps
Courtesy Lamps - Front Doors; Vanity Mirror, and IP Compartment Lamps
Courtesy Lamps - Footwells, Rear Doors, and B-Pillars
Courtesy Lamps - Front Doors; Vanity Mirror, and IP Compartment Lamps
Courtesy Lamps - Footwells, Rear Doors, and B-Pillars
CKT 1050, S213 and S301
CKT 1050, S213 and S301
CKT 1050, S203, S215, S302, S303, and S351
CKT 1050, S203, S215, S302, S303, and S351