GM Service Manual Online
For 1990-2009 cars only
Makes
🢒
Generic
🢒
2003
🢒
Unit Repair
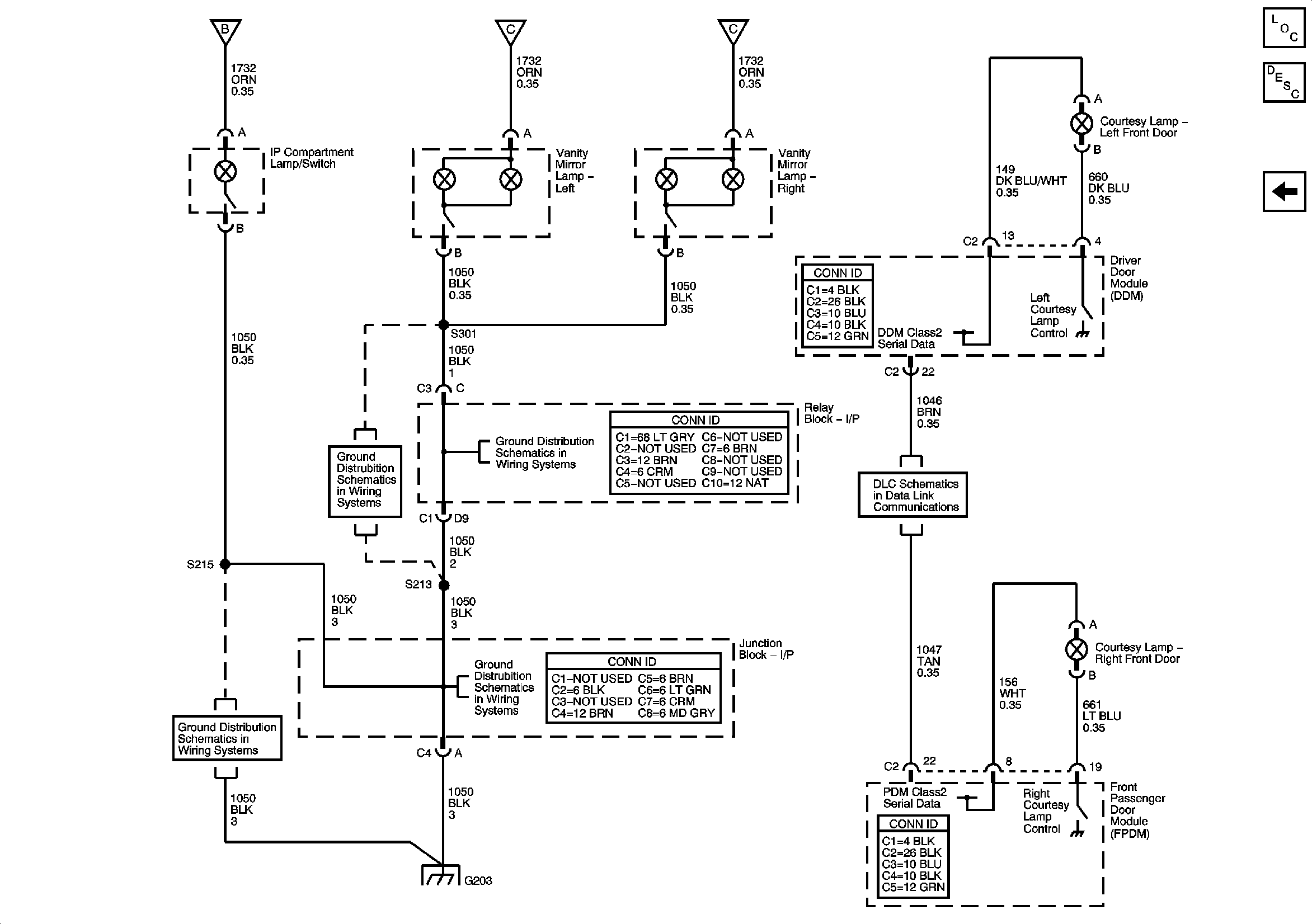
🢒 Courtesy Lamps - Front Doors; Vanity Mirror, and IP Compartment Lamps
Courtesy Lamps - Front Doors; Vanity Mirror, and IP Compartment Lamps
Courtesy Lamps -- Front Doors; Vanity Mirror, and IP Compartment
Master Electrical Component List
Interior Lighting Systems Description and Operation
Courtesy Lamps - Headliner Front, Center, and Rear
Courtesy Lamps - Headliner Front, Center, and Rear
Courtesy Lamps - Headliner Front, Center, and Rear
Courtesy Lamps - Headliner Front, Center, and Rear
Power, Ground, DLC, and Splice Pack SP205
CKT 1050, S213 and S301
CKT 1050, S213 and S301
CKT 1050, S203, S215, S302, S303, and S351
CKT 1050, S203, S215, S302, S303, and S351