GM Service Manual Online
For 1990-2009 cars only

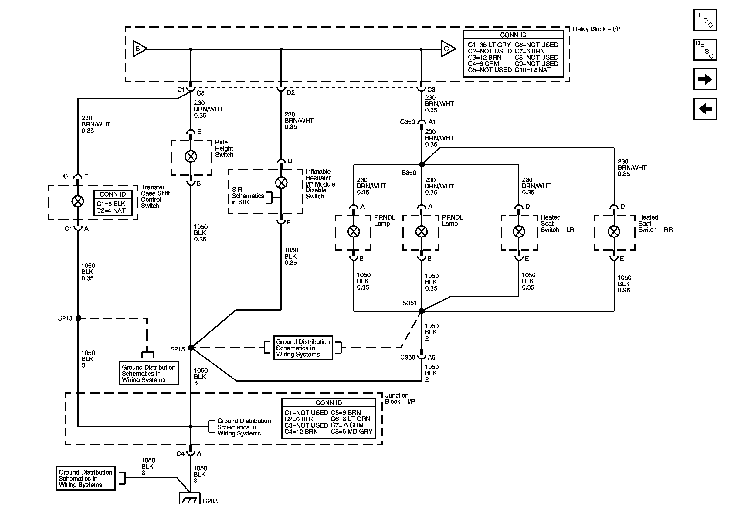
Illumination - Transfer Case Control, Height Control, Inflatable Restraint Disable, and Rear Heated Seat Switches, and PRNDL Lamps

Illumination -- Transfer Case Control, Height Control, Infaltable Restraint Disable, and Rear Heated Seat Switches, and PRNDL Lamps


Object Number: 831465  Size: FS
Master Electrical Component List
Interior Lighting Systems Description and Operation
Illumination - Traction Control, Steering Wheel Controls, and Rear Window Washer/Wiper Switches
Illumination - Rear Window, Garage Door Opener, Sunroof, HVAC Control, Headlamp, and Tow/Haul Switches
Illumination - Rear Window, Garage Door Opener, Sunroof, HVAC Control, Headlamp, and Tow/Haul Switches
Illumination - Traction Control, Steering Wheel Controls, and Rear Window Washer/Wiper Switches
CKT 1050, S203, S215, S302, S303, and S351
CKT 1050, S203, S215, S302, S303, and S351
Passenger Air Bag and Defeat Switch
CKT 1050, S213 and S301
CKT 1050, S203, S215, S302, S303, and S351