GM Service Manual Online
For 1990-2009 cars only
Makes
🢒
Generic
🢒
2003
🢒
Unit Repair
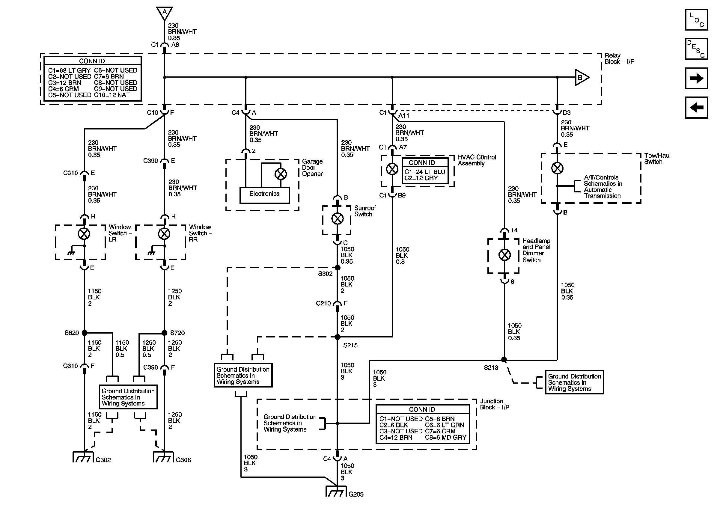
🢒 Illumination - Rear Window, Garage Door Opener, Sunroof, HVAC Control, Headlamp, and Tow/Haul Switches
Illumination - Rear Window, Garage Door Opener, Sunroof, HVAC Control, Headlamp, and Tow/Haul Switches
Illumination -- Rear Window, Garage Door Opener, Sunroof, HVAC Control, Headlamp, and Tow/Haul Switches
Master Electrical Component List
Interior Lighting Systems Description and Operation
Illumination - Transfer Case Control, Height Control, Inflatable Restraint Disable, and Rear Heated Seat Switches, and PRNDL Lamps
Dimmer Controls, IP Cluster Illumination, and Switch Indicators
Dimmer Controls, IP Cluster Illumination, and Switch Indicators
Illumination - Transfer Case Control, Height Control, Inflatable Restraint Disable, and Rear Heated Seat Switches, and PRNDL Lamps
Power, BCM, PCM, Class 2, Stop Lamp Switch, Tow-Haul Switch, and Shift Solenoids
CKT 1050, S213 and S301
CKT 1050, S203, S215, S302, S303, and S351
CKT 1050, S203, S215, S302, S303, and S351
G302, G304, and G306