GM Service Manual Online
For 1990-2009 cars only
Makes
🢒
Generic
🢒
2003
🢒
Unit Repair
🢒 Charging
Charging
Charging
Master Electrical Component List
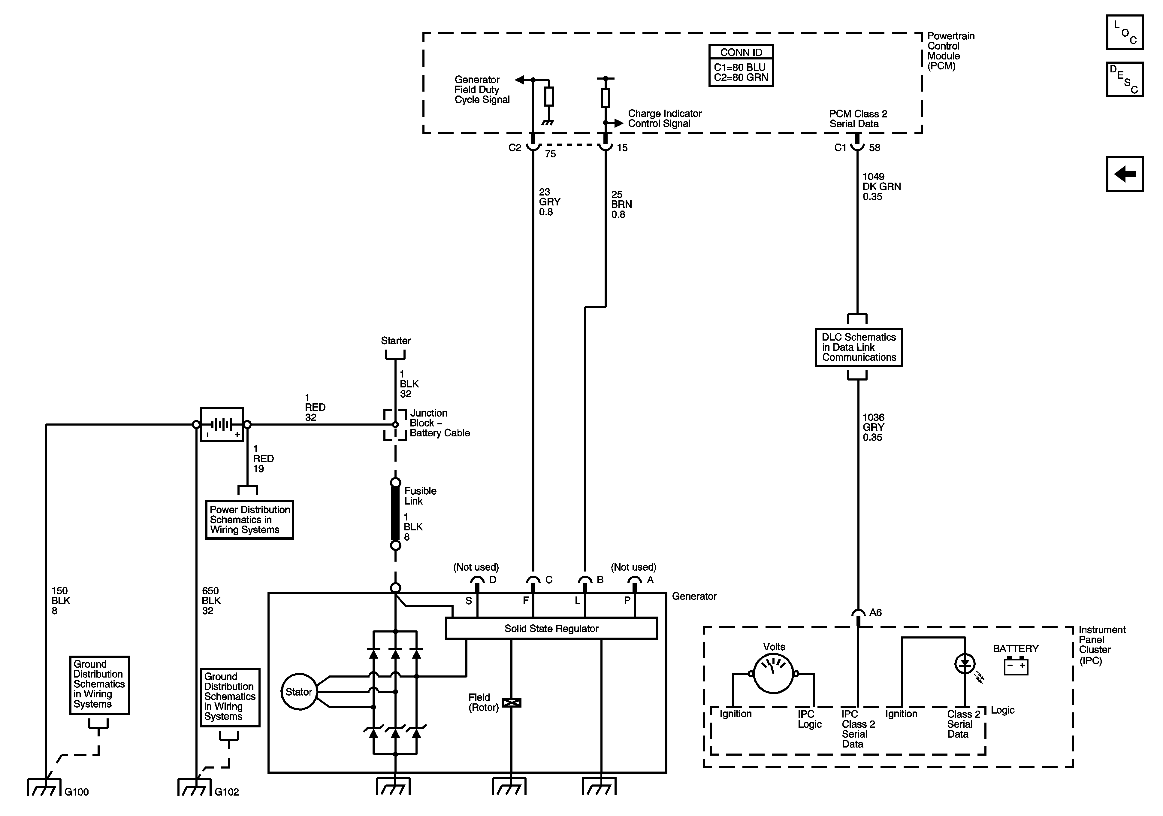
Charging System Description and Operation
Starting
Starting
Power, Ground, DLC, and Splice Pack SP205
B+ Bus
G102 and G103
G105 and G100