GM Service Manual Online
For 1990-2009 cars only
Makes
🢒
Generic
🢒
2003
🢒
Unit Repair
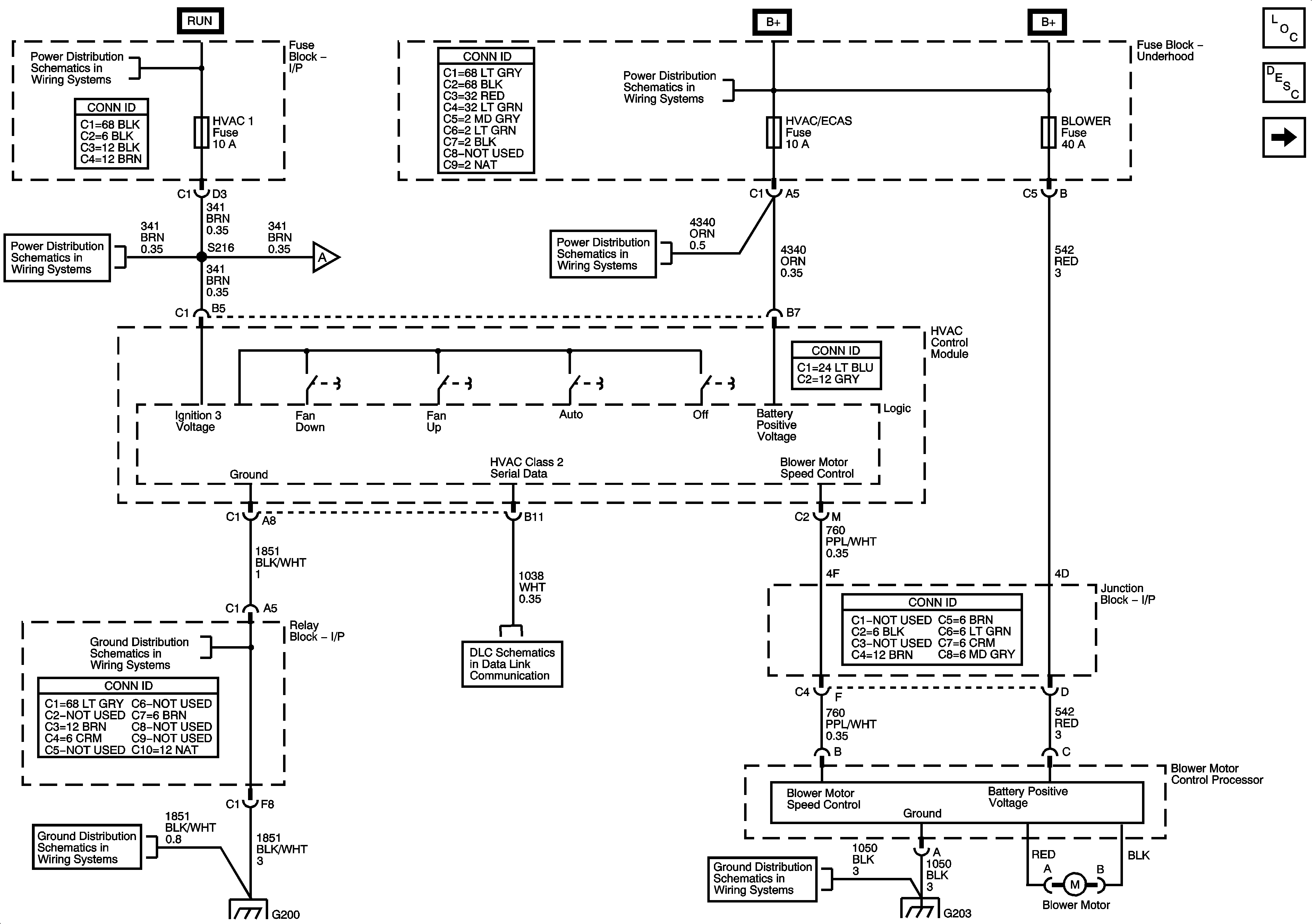
🢒 Power, Grounding, DLC, and Blower Control
Power, Grounding, DLC, and Blower Control
Power, Grounding, DLC, and Blower Control
Master Electrical Component List
Air Delivery Description and Operation
Mode and Recirc Controls, Front Defrost and Rear Defog Controls
ACCY/RUN/START, RUN, and START Bus Bars, CRANK Fuse
BRAKE, 4WD, CRUISE, HVAC I, and IGN 3 Fuses
Mode and Recirc Controls, Front Defrost and Rear Defog Controls
PCMB, TREC, IPC/DIC, TBC BATT, SEO B1, SEO B2, and HVAC/ECAS Fuses
B+ Bus
CKT 1050, S203, S215, S302, S303, and S351
Power, Ground, DLC, and Splice Pack SP205
G200
G200