GM Service Manual Online
For 1990-2009 cars only
Makes
🢒
Generic
🢒
2003
🢒
Unit Repair
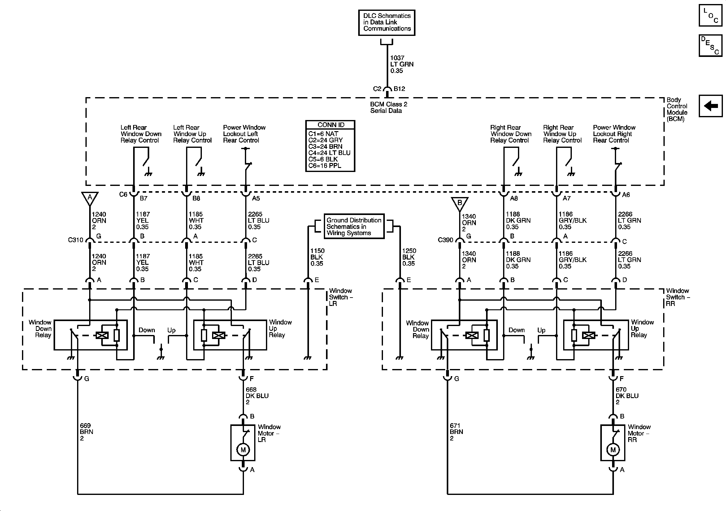
🢒 Rear Door Windows
Rear Door Windows
Rear Door Windows
Master Electrical Component List
Power Windows Description and Operation
Front Door Windows
Door Modules - Power, Grounding, and DLC
G302, G304, and G306
Power, Ground, DLC, and Splice Pack SP205
Door Modules - Power, Grounding, and DLC