GM Service Manual Online
For 1990-2009 cars only
Makes
🢒
Generic
🢒
2003
🢒
Unit Repair
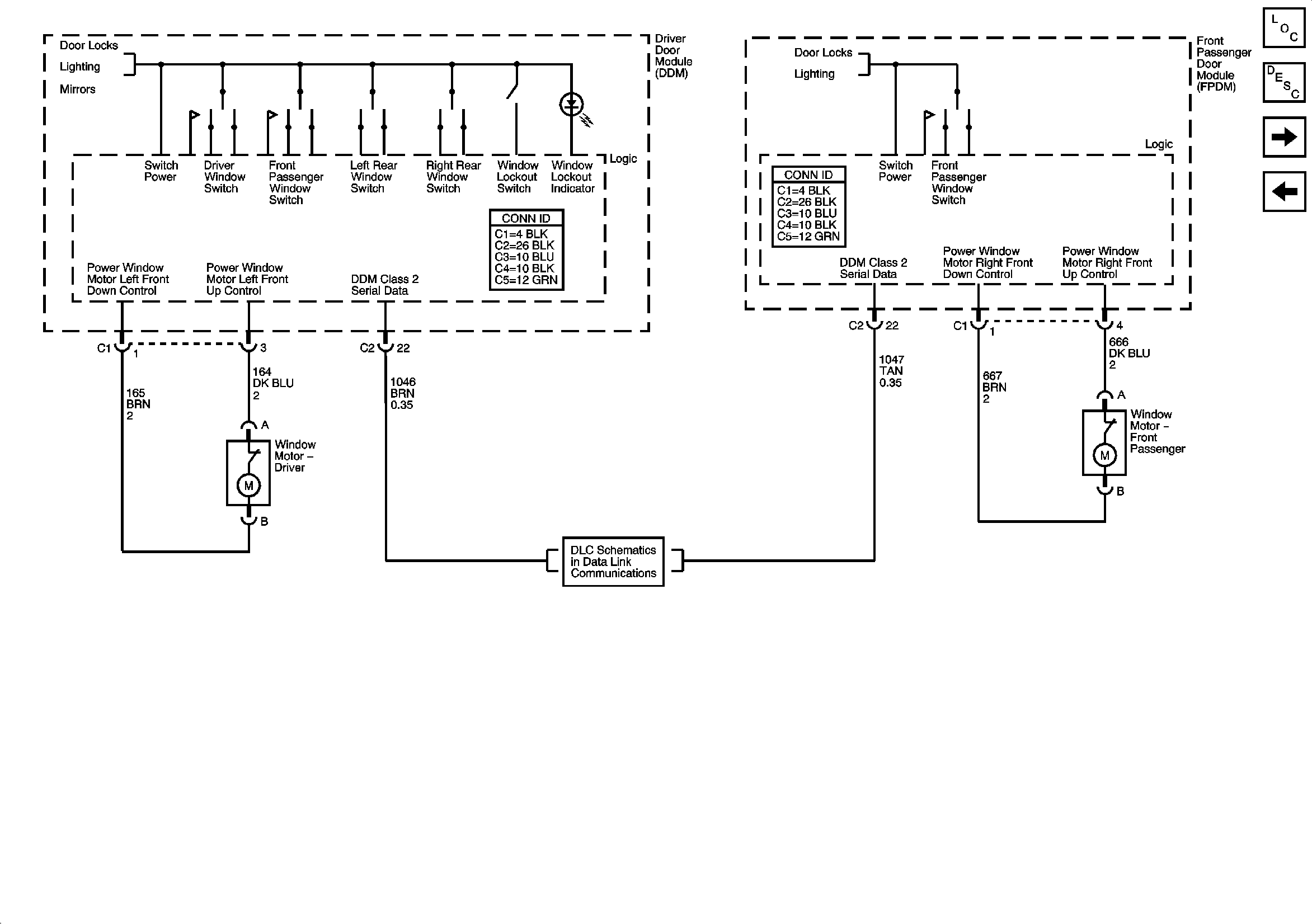
🢒 Front Door Windows
Front Door Windows
Front Door Windows
Master Electrical Component List
Power Windows Description and Operation
Rear Door Windows
Door Modules - Power, Grounding, and DLC
Door Lock./Indicator Schematics
Driver Window, Door, and Seat Switches
Outside Mirror Schematics
Power, Ground, DLC, and Splice Pack SP205
Door Lock./Indicator Schematics
Driver Window, Door, and Seat Switches