GM Service Manual Online
For 1990-2009 cars only
Makes
🢒
Generic
🢒
2003
🢒
Unit Repair
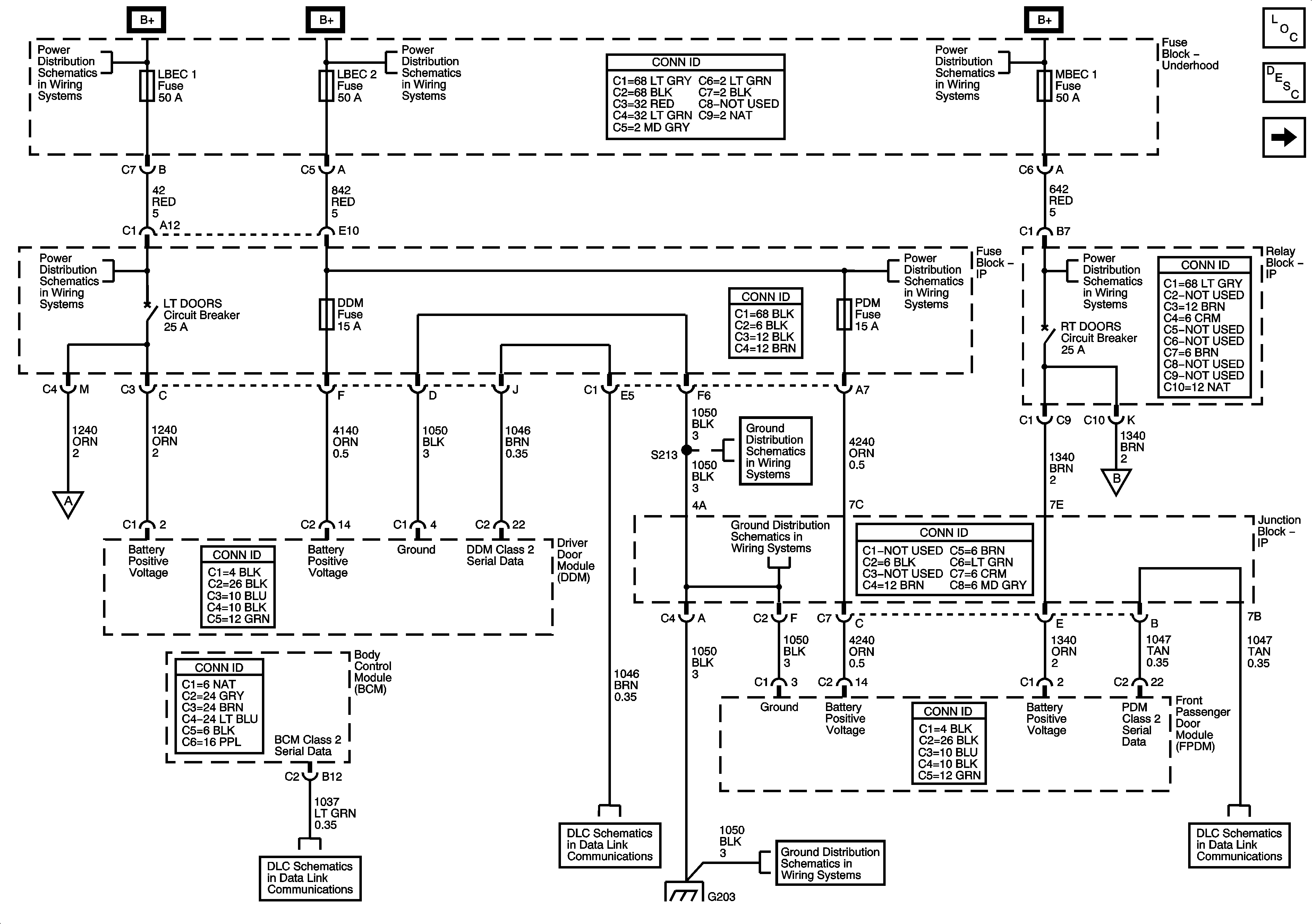
🢒 Door Modules - Power, Grounding, and DLC
Door Modules - Power, Grounding, and DLC
Door Modules -- Power, Grounding, and DLC
Master Electrical Component List
Power Windows Description and Operation
Front Door Windows
B+ Bus
LBEC 1, LBEC 2, INFO, PDM, AUX PWR, DDM, LOCKS, TBC 2A, 2B, and 2C Fuses, and LT DOOR Circuit Breaker
B+ Bus
LBEC 1, LBEC 2, INFO, PDM, AUX PWR, DDM, LOCKS, TBC 2A, 2B, and 2C Fuses, and LT DOOR Circuit Breaker
B+ Bus
STUD 1, STUD 2, VSES/ECAS, BLOWER, ABS, and MBEC 1 Fuses
Rear Door Windows
Power, Ground, DLC, and Splice Pack SP205
CKT 1050, S213 and S301
CKT 1050, S203, S215, S302, S303, and S351
CKT 1050, S203, S215, S302, S303, and S351
Power, Ground, DLC, and Splice Pack SP205
Power, Ground, DLC, and Splice Pack SP205
Rear Door Windows