GM Service Manual Online
For 1990-2009 cars only
Makes
🢒
Generic
🢒
2003
🢒
Unit Repair
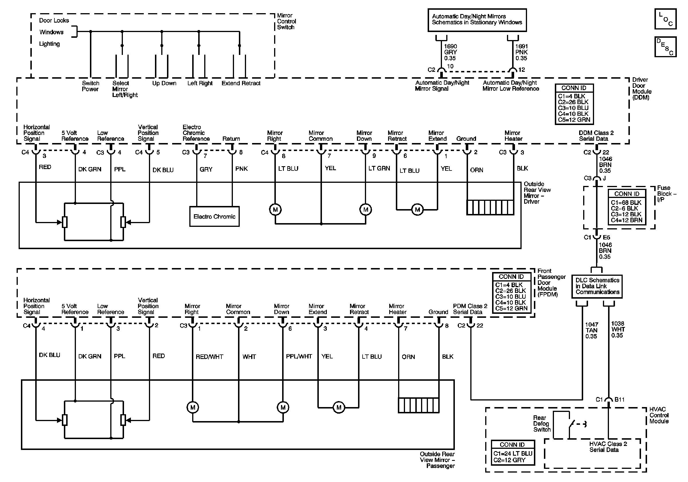
🢒 Outside Mirror Schematics
Outside Mirror Schematics
Master Electrical Component List
Outside Mirror Description and Operation Power Mirrors
Door Lock./Indicator Schematics
Front Door Windows
Driver Window, Door, and Seat Switches
Without Sunroof
Power, Ground, DLC, and Splice Pack SP205