GM Service Manual Online
For 1990-2009 cars only
Makes
🢒
Generic
🢒
2003
🢒
Unit Repair
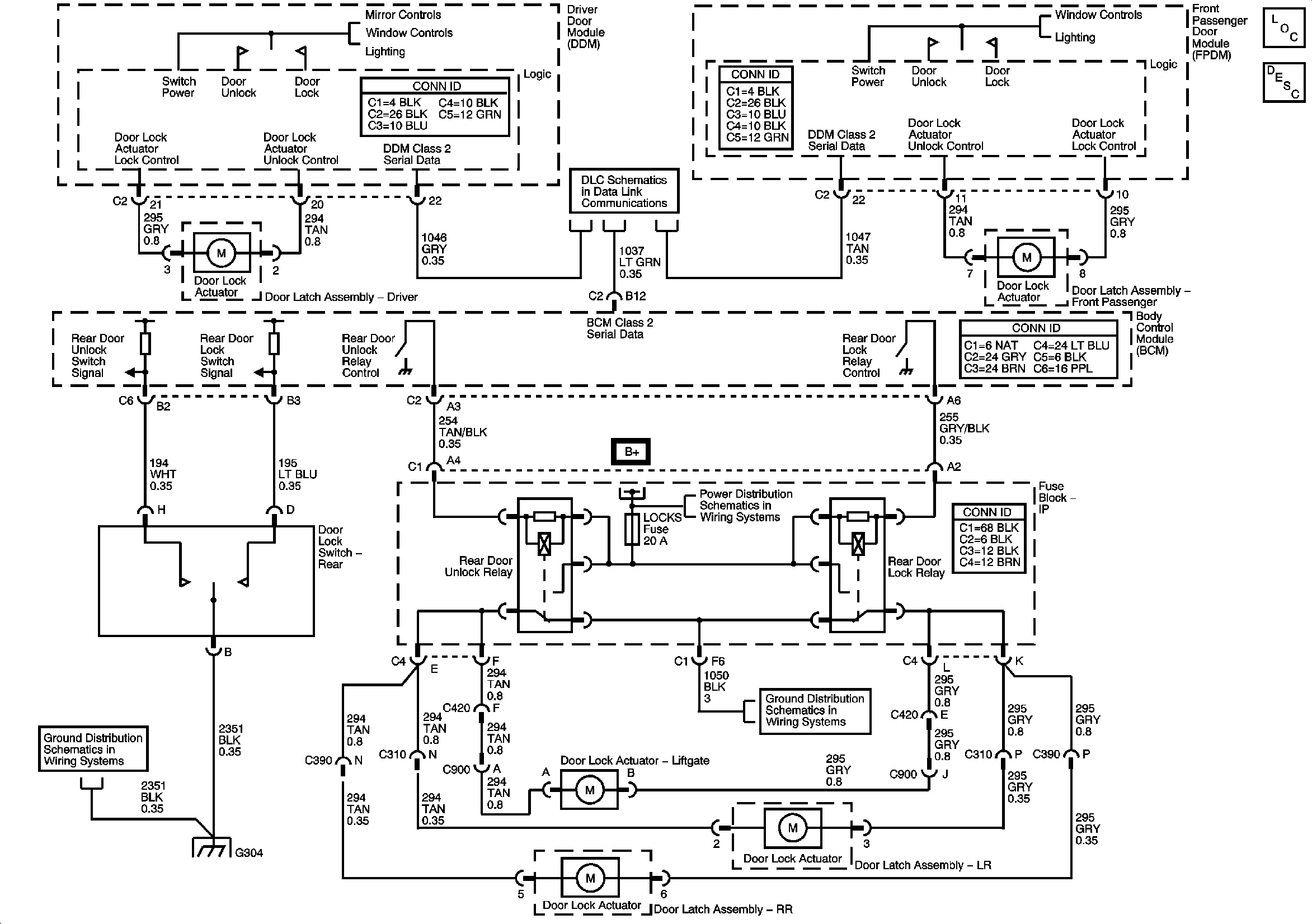
🢒 Door Lock./Indicator Schematics
Door Lock./Indicator Schematics
Master Electrical Component List
Power Door Locks Description and Operation
Outside Mirror Schematics
Front Door Windows
Driver Window, Door, and Seat Switches
Power, Ground, DLC, and Splice Pack SP205
Front Door Windows
Driver Window, Door, and Seat Switches
LBEC 1, LBEC 2, INFO, PDM, AUX PWR, DDM, LOCKS, TBC 2A, 2B, and 2C Fuses, and LT DOOR Circuit Breaker
CKT 1050, S213 and S301
G302, G304, and G306