GM Service Manual Online
For 1990-2009 cars only
Makes
🢒
Generic
🢒
2003
🢒
Unit Repair
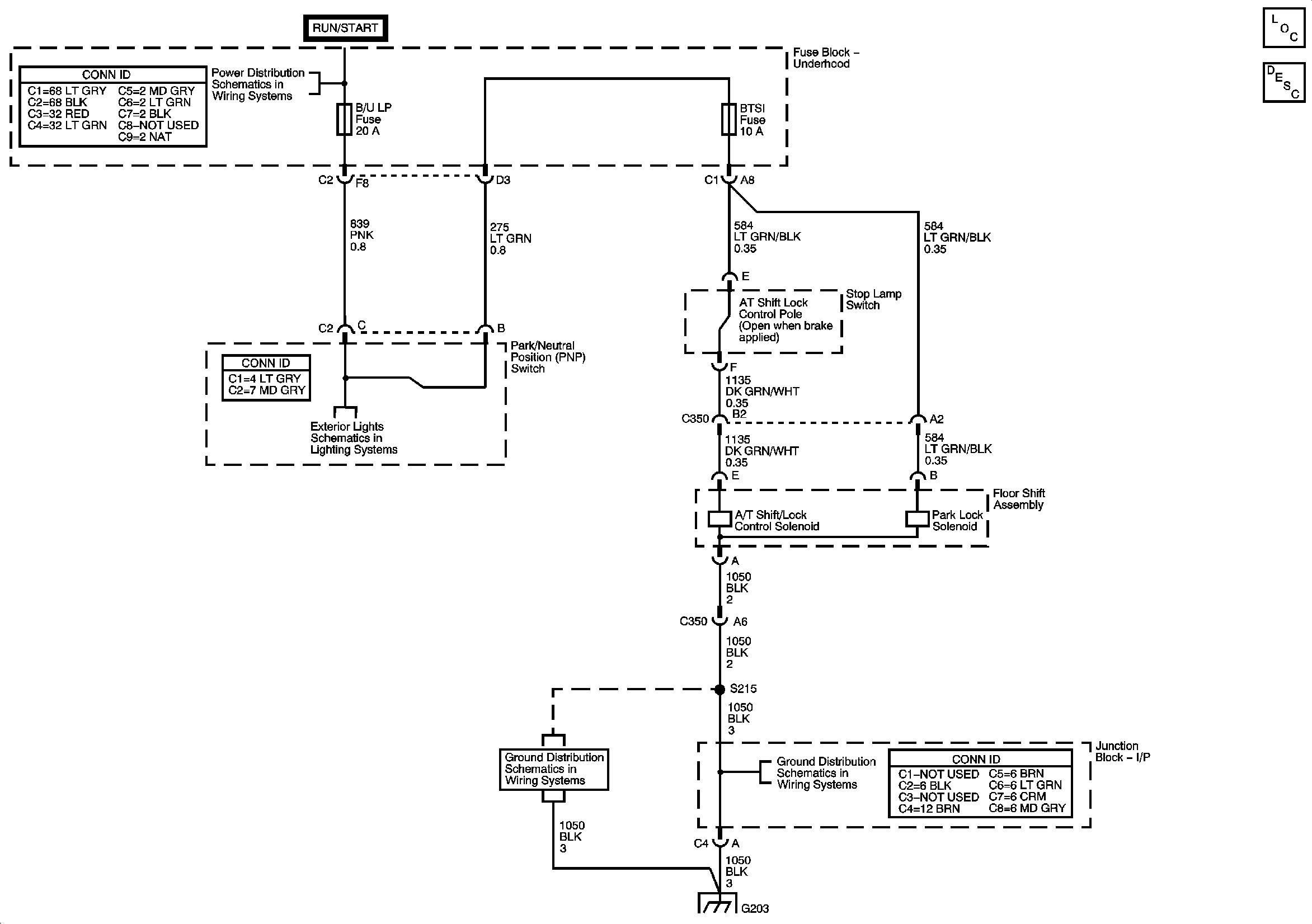
🢒 Automatic Transmission Shift Lock Control Schematics
Automatic Transmission Shift Lock Control Schematics
Master Electrical Component List
Automatic Transmission Shift Lock Control Description and Operation
B/U LP, O2A, O2B, TBC IGN1, TRL B/U, and BTSI Fuses
Backup Lamps
CKT 1050, S203, S215, S302, S303, and S351
CKT 1050, S203, S215, S302, S303, and S351