GM Service Manual Online
For 1990-2009 cars only
Makes
🢒
Generic
🢒
2003
🢒
Unit Repair
🢒 Backup Lamps
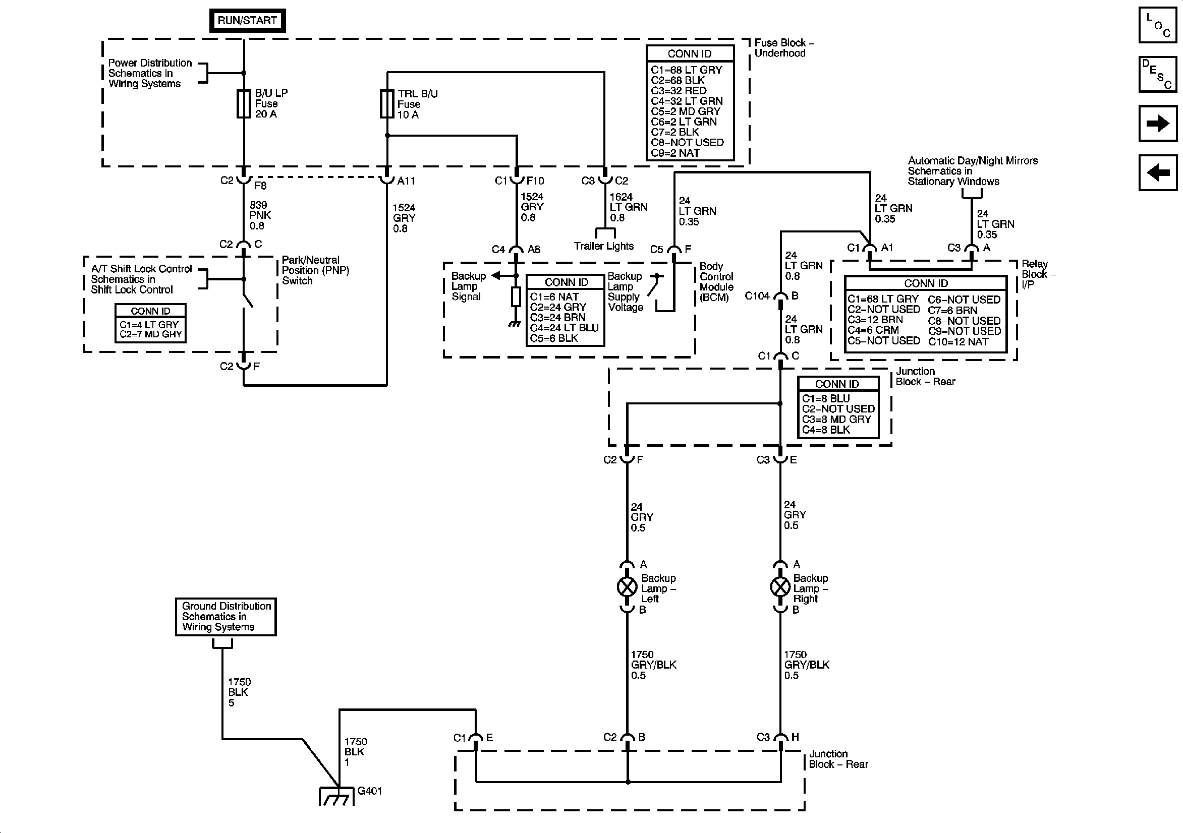
Backup Lamps
Backup Lamps
Master Electrical Component List
Exterior Lighting Systems Description and Operation
Trailer Lighting Provisions
Off-Road Lights
ACCY/RUN/ and RUN/START Bus Bars
Automatic Transmission Shift Lock Control Schematics
Trailer Lighting Provisions
Without Sunroof
G308, G310, G401, and G300