GM Service Manual Online
For 1990-2009 cars only
Makes
🢒
Generic
🢒
2003
🢒
Unit Repair
🢒 Displays and Personalization Controls
Displays and Personalization Controls
Displays
Master Electrical Component List
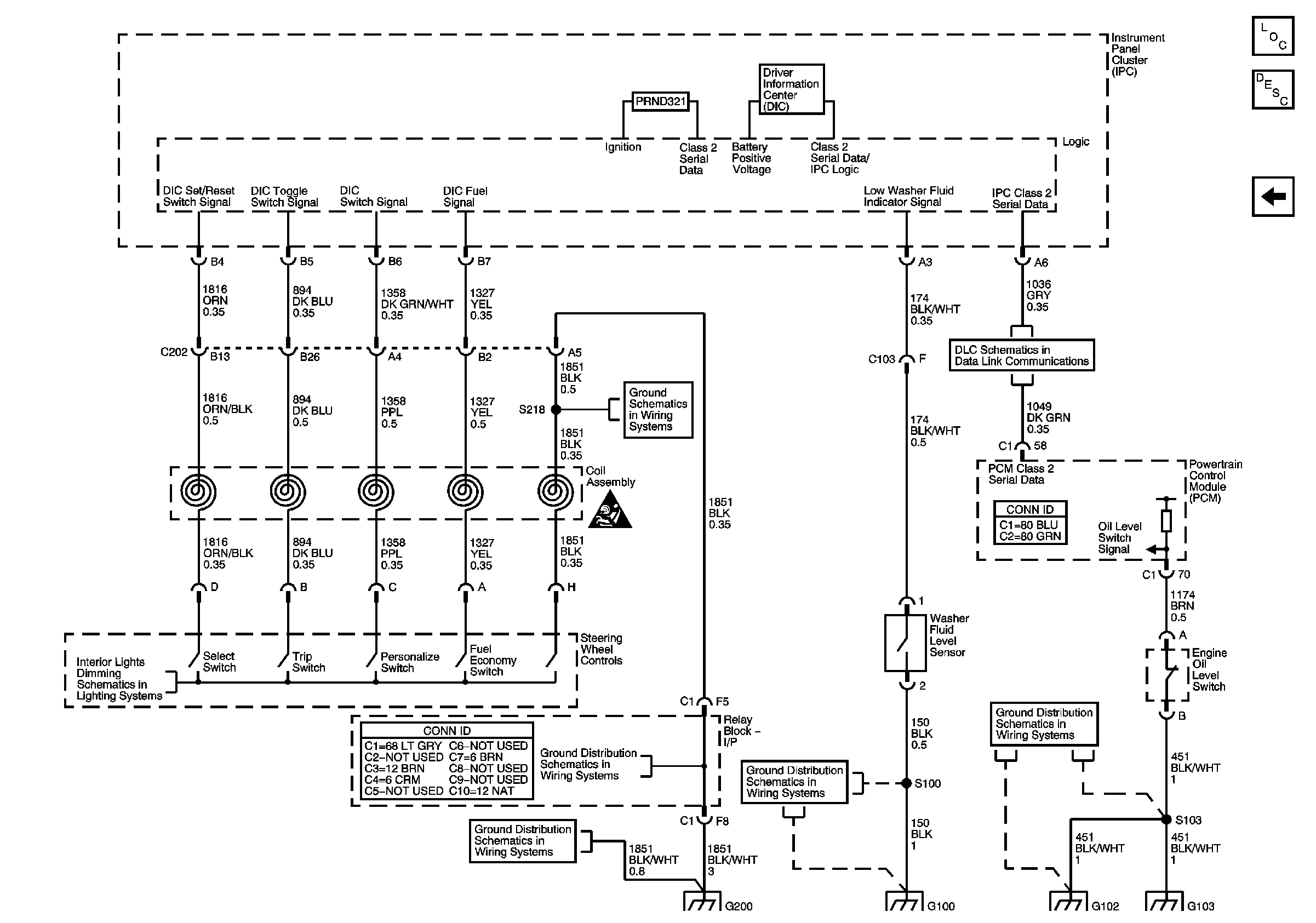
Driver Information Center (DIC) Description and Operation
Indicators
SIR Caution for Zoning
G200
Power, Ground, DLC, and Splice Pack SP205
G102 and G103
G105 and G100
G200
G200