GM Service Manual Online
For 1990-2009 cars only
Makes
🢒
Generic
🢒
2003
🢒
Unit Repair
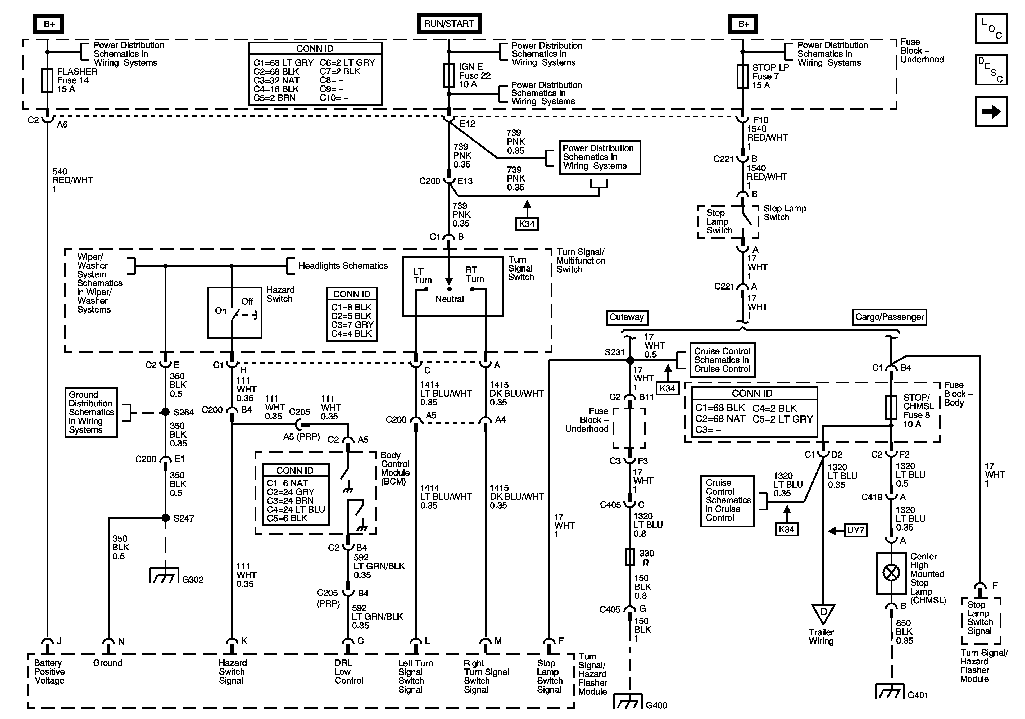
🢒 FLASHER, IGN E, and STOP LP Fuses
FLASHER, IGN E, and STOP LP Fuses
FLASHER, IGN E and STOP LP Fuses
Master Electrical Component List
Exterior Lighting Systems Description and Operation
Headlamp and Panel Dimmer Switch, Park Lamp Relay, and FR PRK, LR PRK, RR PRK, TRLR PRK, UPFTR PRK Fuses
B+ Bus - Underhood Fuse Block
B+ Bus - Underhood Fuse Block
IGN B Fuse
SPARE, IGN E, SIR, TBC IGN 1, and ISRV Fuses
Backup (Cutaway) and Trailer Wiring
SPARE, IGN E, SIR, TBC IGN 1, and ISRV Fuses
Windshield Washer Switch
Headlights
G302
Cruise Control
Cruise Control
G302
G400
G401 (Passenger/Cargo)