GM Service Manual Online
For 1990-2009 cars only
Makes
🢒
Generic
🢒
2003
🢒
Unit Repair
🢒 Headlights
Headlights
Master Electrical Component List
Exterior Lighting Systems Description and Operation
Driver, Passenger, and Cargo Mini Wedges
Controls and Backlighting - 1 of 3
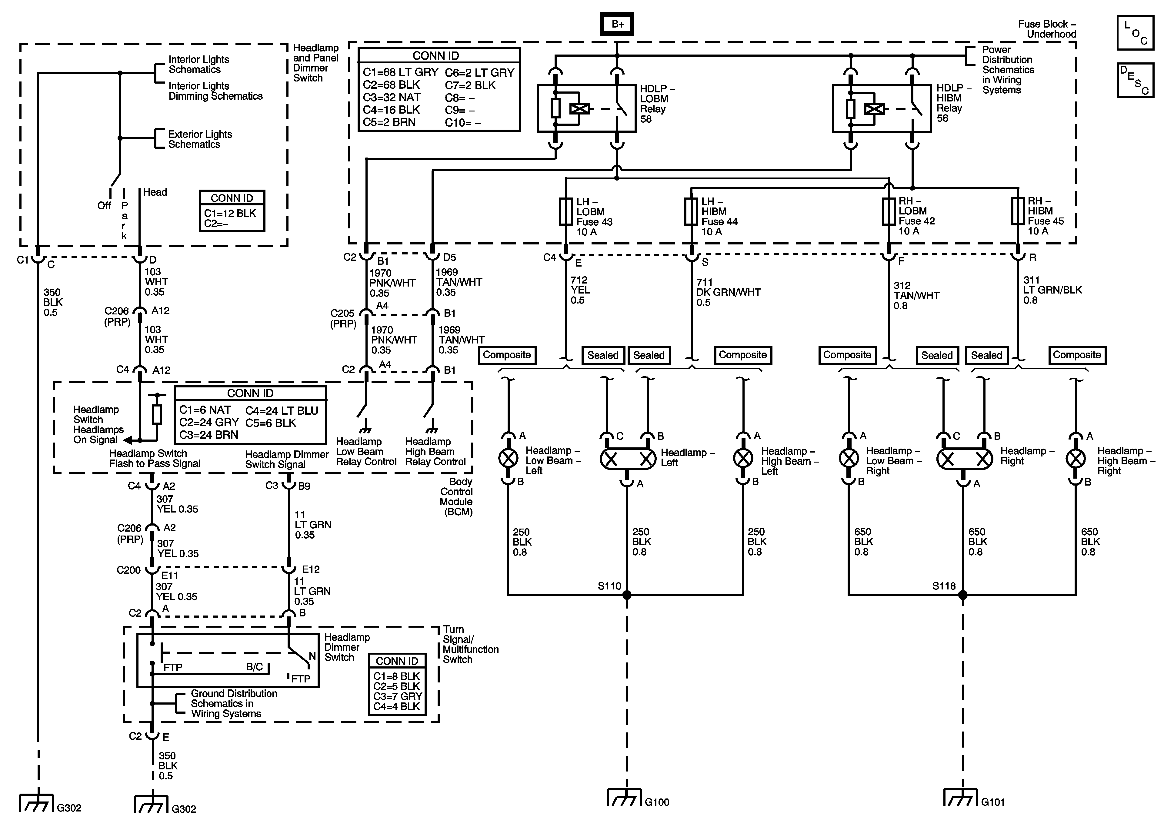
Headlamp and Panel Dimmer Switch, Park Lamp Relay, and FR PRK, LR PRK, RR PRK, TRLR PRK, UPFTR PRK Fuses
B+ Bus - Underhood Fuse Block
G302
G302
G100, and G101
G100, and G101
G302