GM Service Manual Online
For 1990-2009 cars only
Makes
🢒
Generic
🢒
2003
🢒
Unit Repair
🢒 Courtesy Lamps - YF7
Courtesy Lamps - YF7
Courtesy Lamps - YF7
Master Electrical Component List
Interior Lighting Systems Description and Operation
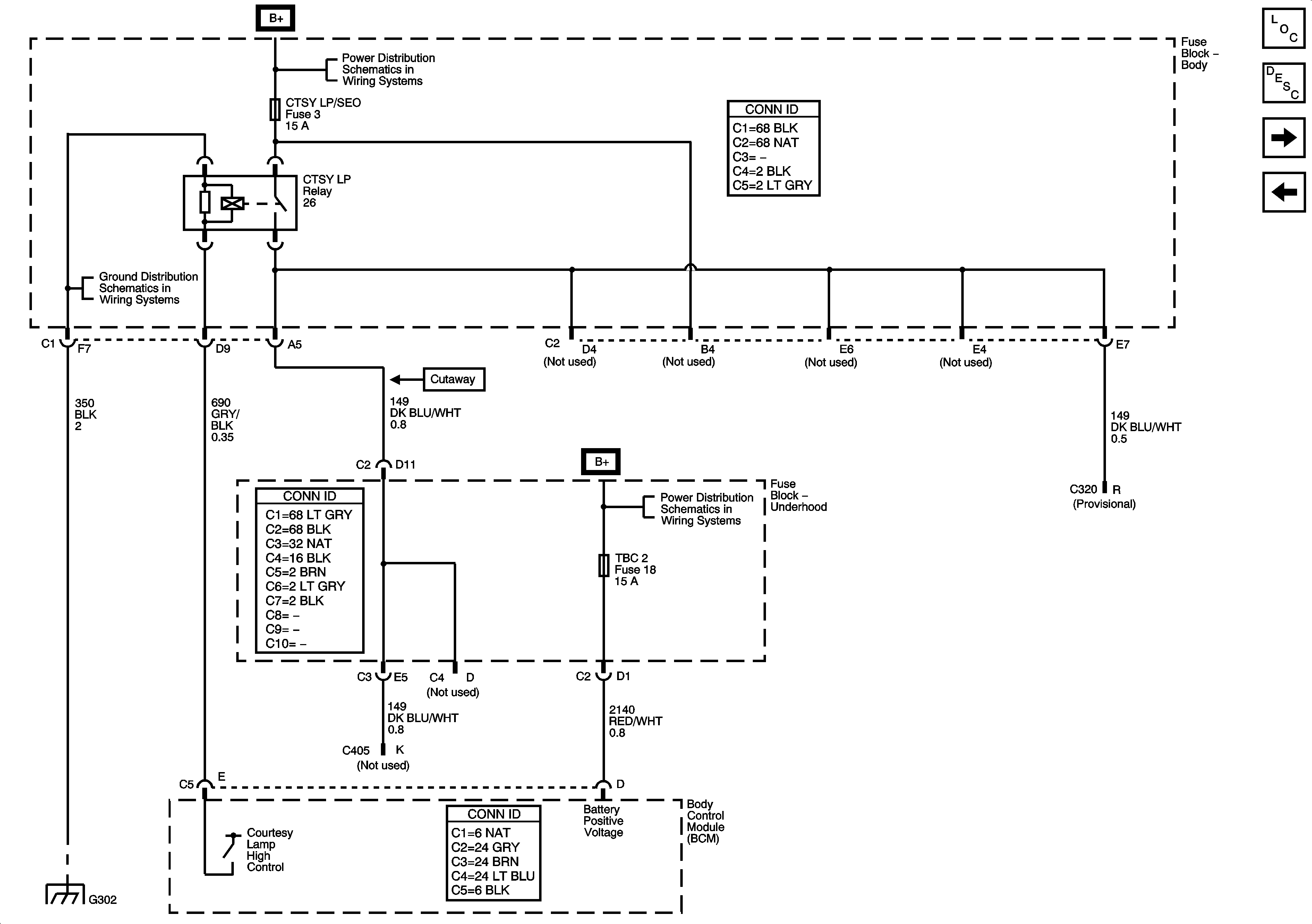
Courtesy Lamps w/o YF7 - 1 of 2
Driver, Passenger, and Cargo Mini Wedges
B+ Bus - Body Fuse Block
G103, G104, G105, G106, G300, and G301
G302