GM Service Manual Online
For 1990-2009 cars only
Makes
🢒
Generic
🢒
2003
🢒
Unit Repair
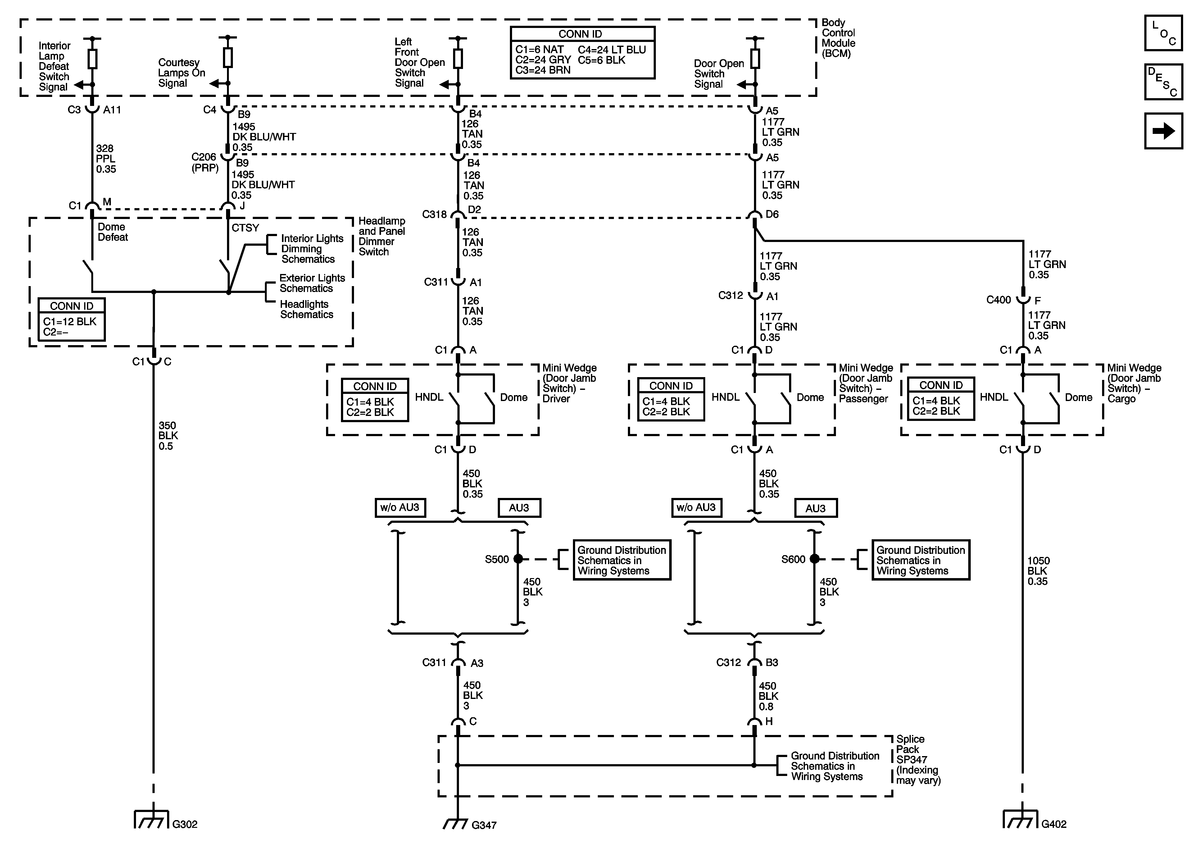
🢒 Driver, Passenger, and Cargo Mini Wedges
Driver, Passenger, and Cargo Mini Wedges
Driver, Passenger and Cargo Mini Wedges
Master Electrical Component List
Interior Lighting Systems Description and Operation
Courtesy Lamps - YF7
Controls and Backlighting - 1 of 3
Headlamp and Panel Dimmer Switch, Park Lamp Relay, and FR PRK, LR PRK, RR PRK, TRLR PRK, UPFTR PRK Fuses
Headlights
Splice Pack SP347, and G347 - 1 of 3
Splice Pack SP347, and G347 - 2 of 3
Splice Pack SP347, and G347 - 1 of 3
G302
G402 (Passenger/Cargo) and G403 (PRP)