GM Service Manual Online
For 1990-2009 cars only
Makes
🢒
Generic
🢒
2003
🢒
Unit Repair
🢒 Off-Road Lights
Off-Road Lights
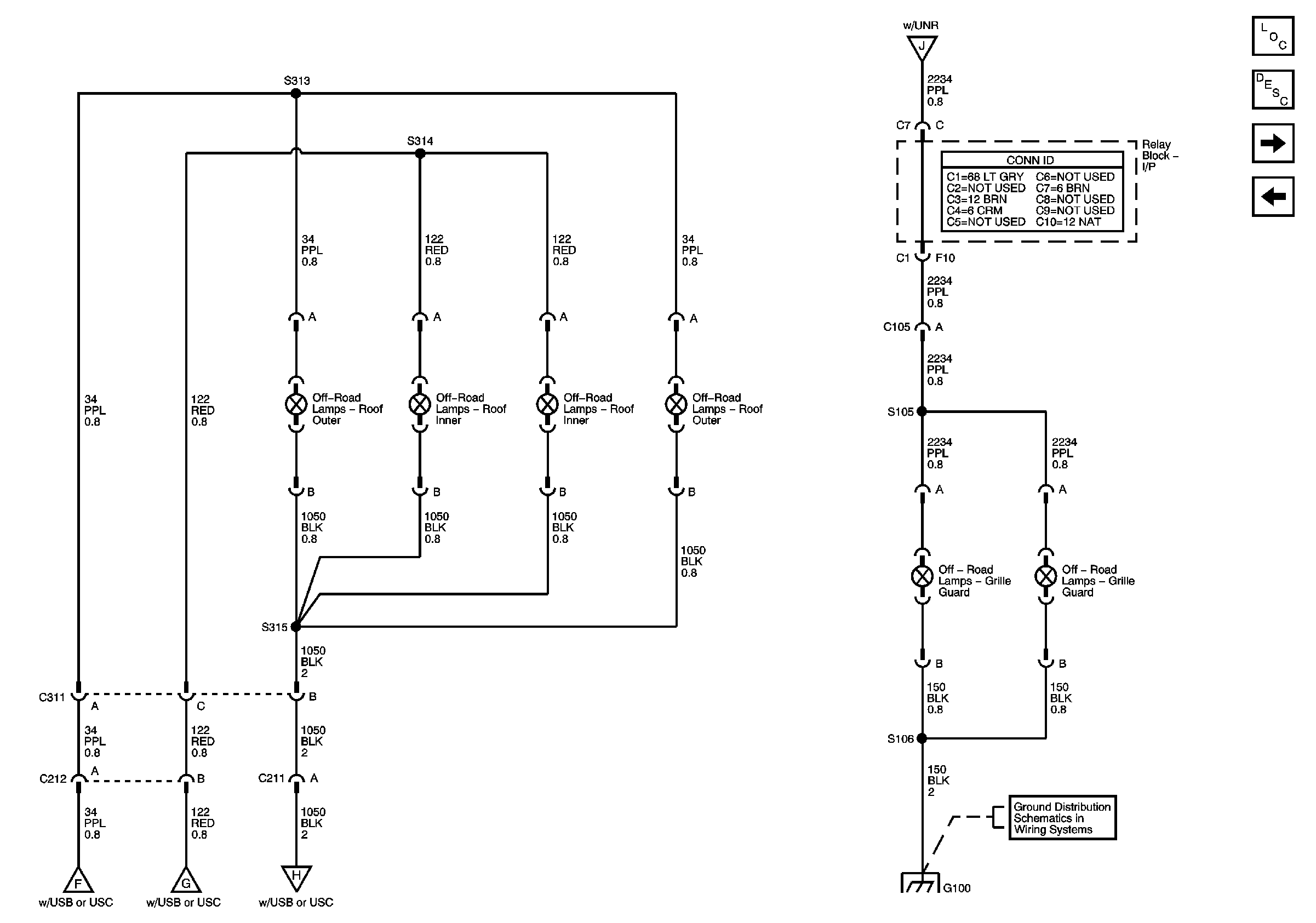
Off-Road Lighting Control
Master Electrical Component List
Exterior Lighting Systems Description and Operation
Backup Lamps
Off-Road Lighting Control
Off-Road Lighting Control
G105 and G100
Off-Road Lighting Control
Off-Road Lighting Control
Off-Road Lighting Control